EasyManua.ls Logo

Daewoo DSB-120L - Page 35

Daewoo DSB-120L
62 pages
Print Icon
To Next Page IconTo Next Page
To Next Page IconTo Next Page
To Previous Page IconTo Previous Page
To Previous Page IconTo Previous Page
Loading...
3
2
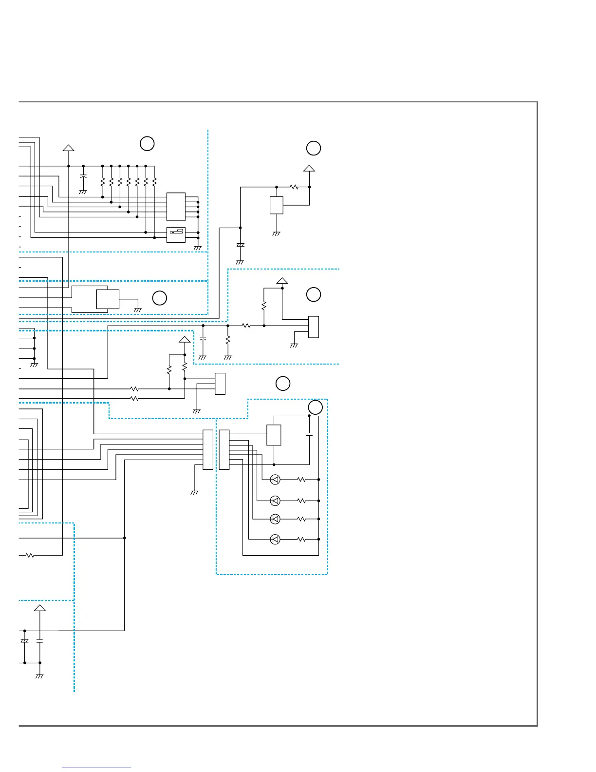
• Circuit Description
! TEMPERATURE SENSING
@ STEPPING MOTOR DRIVING
# TRIAC DRIVING FOR DIF
$ BUZZER DRIVING
%
COMPRESSOR RELAY DRIVING
^ AC POWER SUPPLY
& POWER LINE FREQENCY
MONITORING INPUT
* DC POWER SUPPLY
( LED DRIVING
) SELECT SWITCH INPUT
1 RESET CIRCUIT
2 CLOCK GENERATION
3 RPM SENSOR INPUT
4 MODE SELECT SWITCH
12
R19
10K
5V
C14
104
21
+
6V
21
C22
104
R20
10K
R21
10K
R22
10K
R23
10K
R24
10K
R25
10K
R26
10K
21
12
12
12
12
12
12
12
DIP1
1
2
3
4
5
10
9
8
7
6
DIP2
1
2
4
3
2
+
1
C17
4.7µ/50V
C9
KIA7042P
R27
5.6K
12
5V
5V
R38
1K
12
R37
330
HOLE SENSOR
CN15
5267-03
1
2
3
12
C21
104
R39
10K
21
12
5V
R33
1K
R30 1K
12
12
R31 1K
12
12
SW2
5276-03
1
2
3
MODE SELECT S/W
CN16 CN101
U101
GP3U77R
1
32
C101
103
21
5267-07 5266-07
1
2
3
4
5
6
7
1
2
3
4
5
6
7
LD101
LD102
LD103
LD104
21
21
21
21
12
12
12
12
R101
470
R102
470
R103
470
R104
470
R34
1K
14
12
13
10
9
11
6M
X1