EasyManua.ls Logo

Daewoo DTX-21G2 - Functional Description of Video Processor

Daewoo DTX-21G2
59 pages
Print Icon
To Next Page IconTo Next Page
To Next Page IconTo Next Page
To Previous Page IconTo Previous Page
To Previous Page IconTo Previous Page
Loading...
CP-520V Service Manual
32
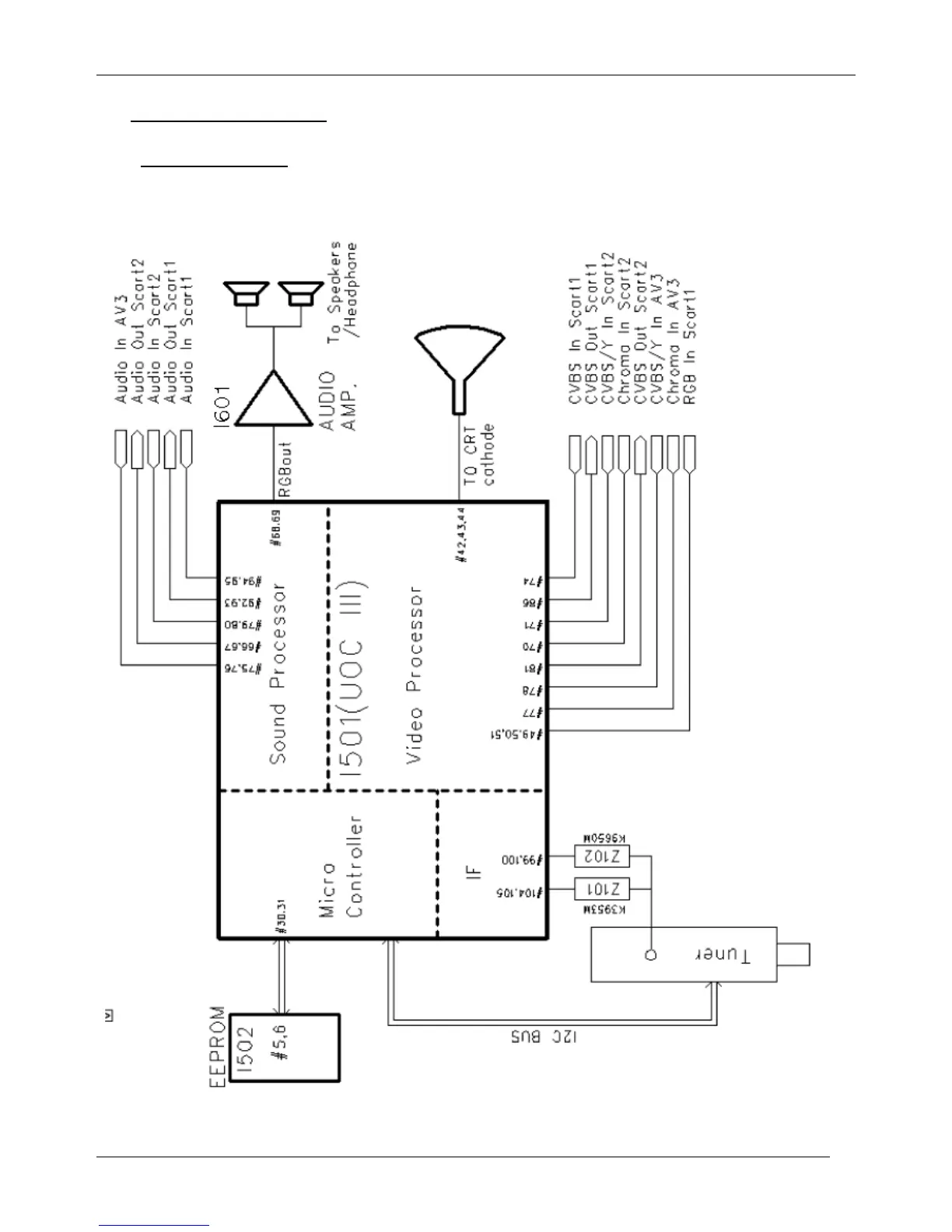
5 CIRCUIT DESCRIPTION
5.1 BLOCK DIAGRAM

Table of Contents

Related product manuals