EasyManua.ls Logo

Daewoo DWF-200M(V) - Page 35

Daewoo DWF-200M(V)
46 pages
Print Icon
To Next Page IconTo Next Page
To Next Page IconTo Next Page
To Previous Page IconTo Previous Page
To Previous Page IconTo Previous Page
Loading...
34
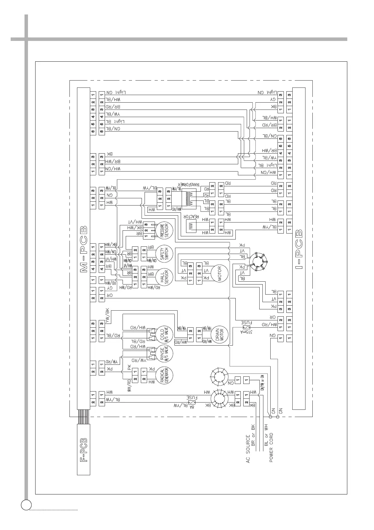
PARTS DIAGRAM
[Inverter, Single Valve]

Related product manuals