EasyManua.ls Logo

Daewoo DWF-7094 - Page 30

Daewoo DWF-7094
31 pages
Print Icon
To Next Page IconTo Next Page
To Next Page IconTo Next Page
To Previous Page IconTo Previous Page
To Previous Page IconTo Previous Page
Loading...
48
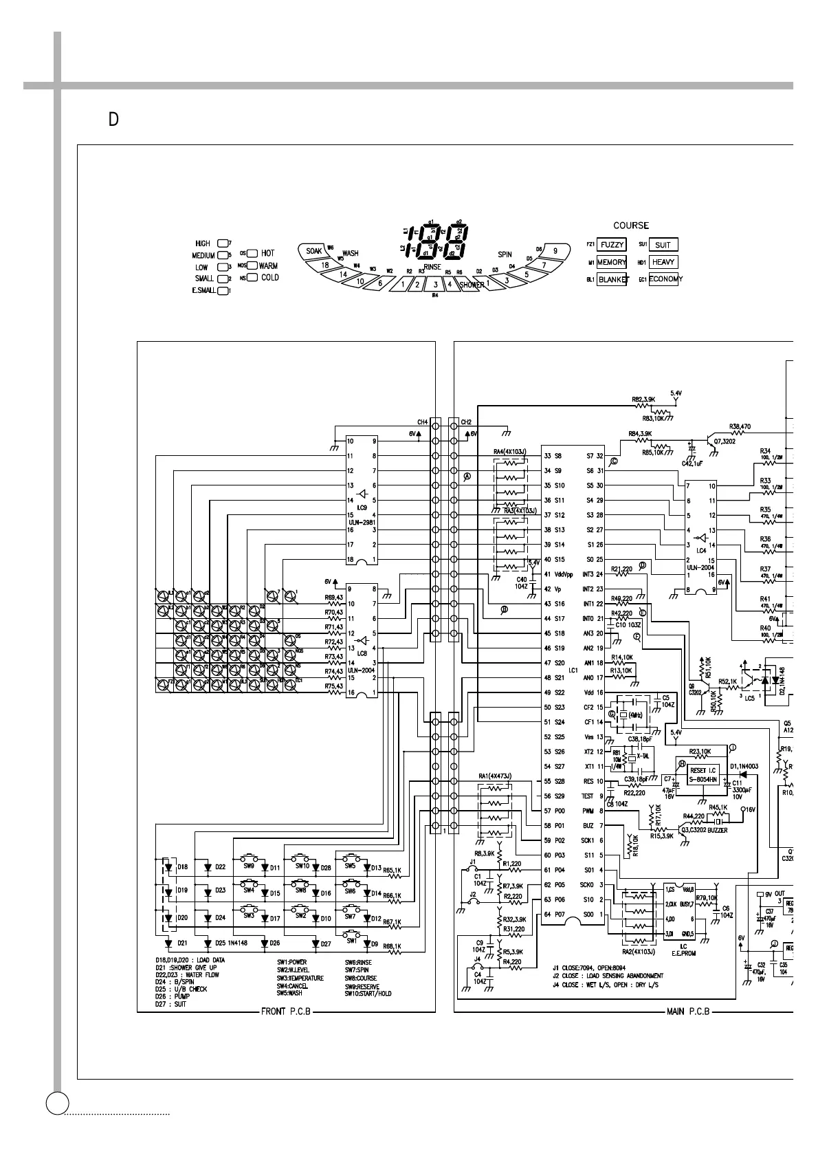
CIRCUIT DIAGRAM
§§
è
DWF-7094 Circuit Diagram

Related product manuals