EasyManua.ls Logo

Daewoo ERF-36.A..EU - Wiring Diagrams

Daewoo ERF-36.A..EU
56 pages
Print Icon
To Next Page IconTo Next Page
To Next Page IconTo Next Page
To Previous Page IconTo Previous Page
To Previous Page IconTo Previous Page
Loading...
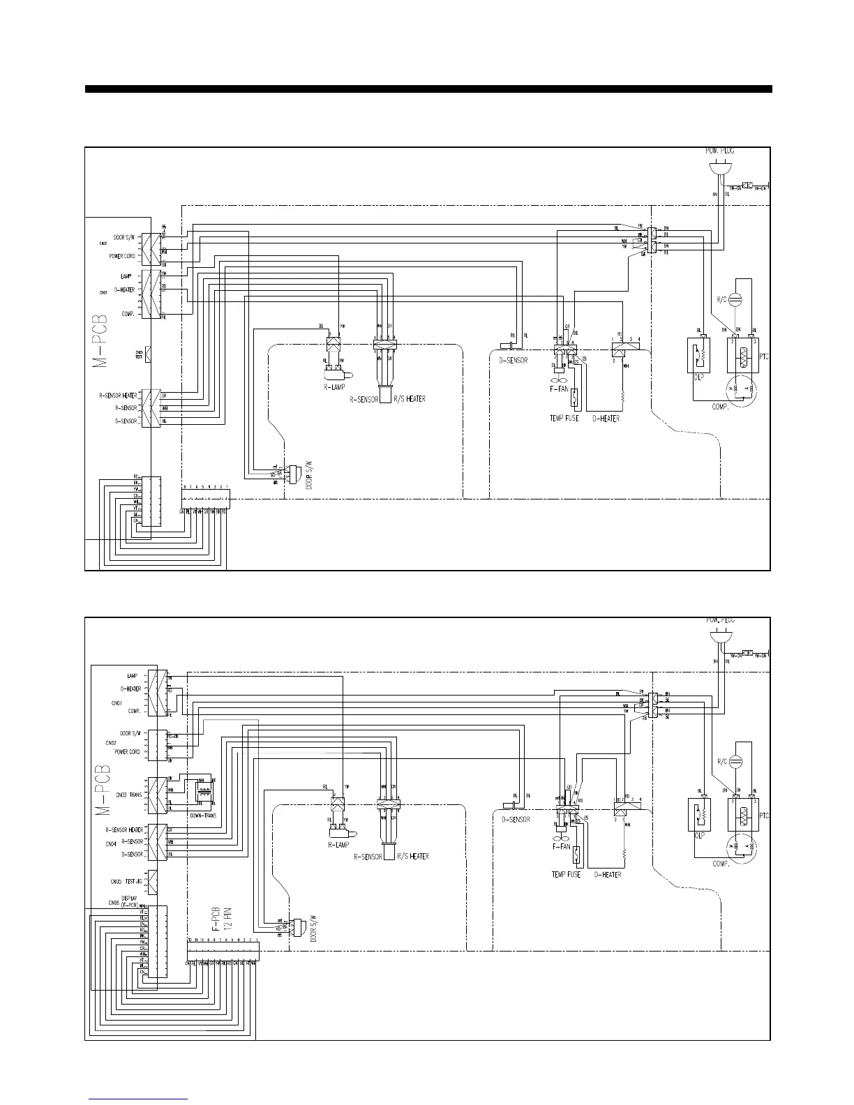
2. WIRING DIAGRAMS
2.1- ERF-364A..EU, ERF-384A..EU, ERF-394A..EU, ERF-414A..EU
2.2- ERF-367A..EU, ERF-387A..EU, ERF-397A..EU, ERF-417A..EU
Daewoo Electronics 6