EasyManua.ls Logo

Daewoo ERF-36.A..EU - Main Pcb Diagrams

Daewoo ERF-36.A..EU
56 pages
Print Icon
To Next Page IconTo Next Page
To Next Page IconTo Next Page
To Previous Page IconTo Previous Page
To Previous Page IconTo Previous Page
Loading...
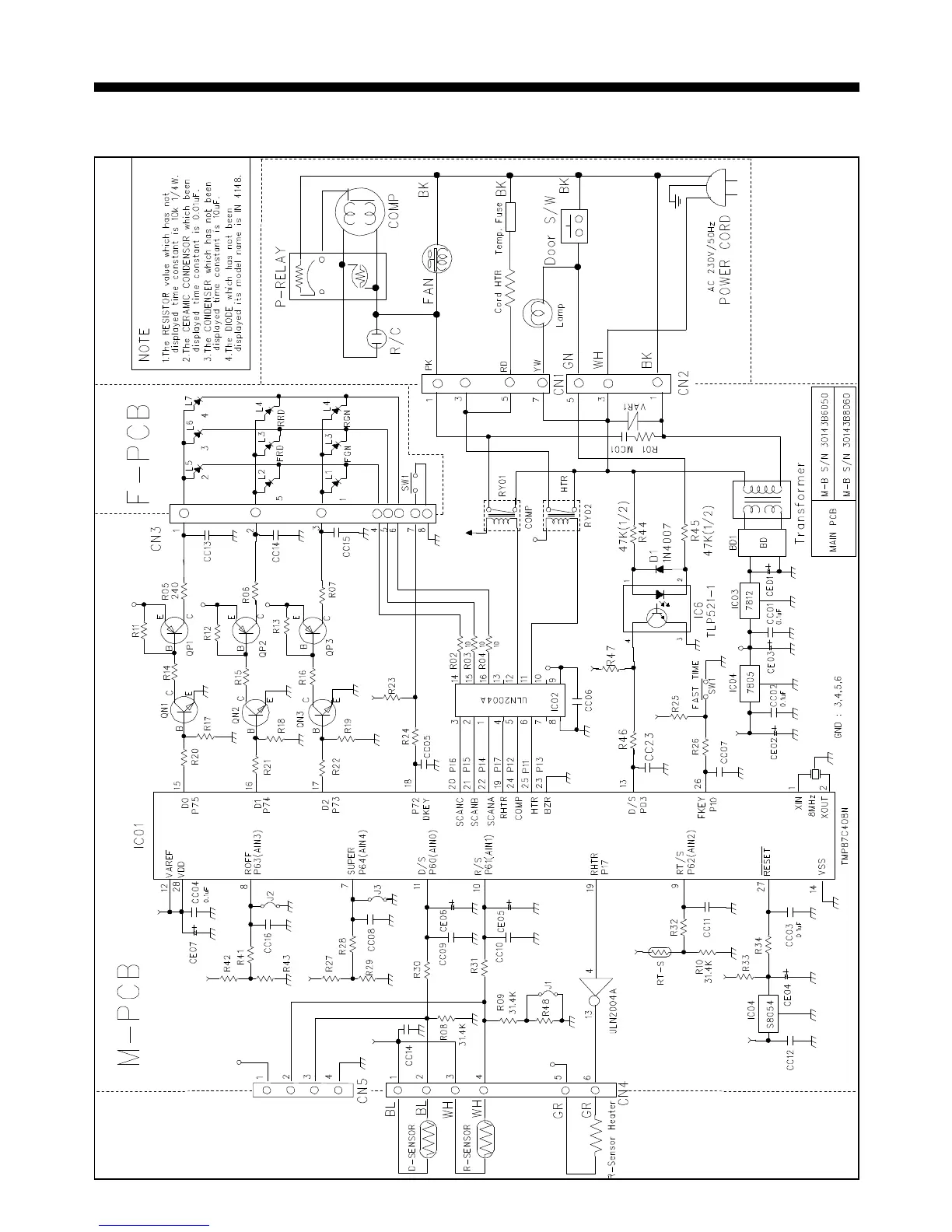
8- MAIN PCB DIAGRAMS
8.1- ERF-364A..EU, ERF-384A..EU, ERF-394A..EU, ERF-414A..EU
Daewoo Electronics 12