EasyManua.ls Logo

Daewoo ERF-36.A..EU - Page 13

Daewoo ERF-36.A..EU
56 pages
Print Icon
To Next Page IconTo Next Page
To Next Page IconTo Next Page
To Previous Page IconTo Previous Page
To Previous Page IconTo Previous Page
Loading...
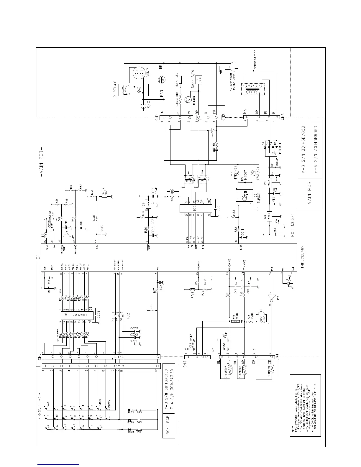
8.2- ERF-367A..EU, ERF-387A..EU, ERF-397A..EU, ERF-417A..EU
13 Daewoo Electronics