EasyManua.ls Logo

Daewoo ERF-36.A..EU - Page 14

Daewoo ERF-36.A..EU
56 pages
Print Icon
To Next Page IconTo Next Page
To Next Page IconTo Next Page
To Previous Page IconTo Previous Page
To Previous Page IconTo Previous Page
Loading...
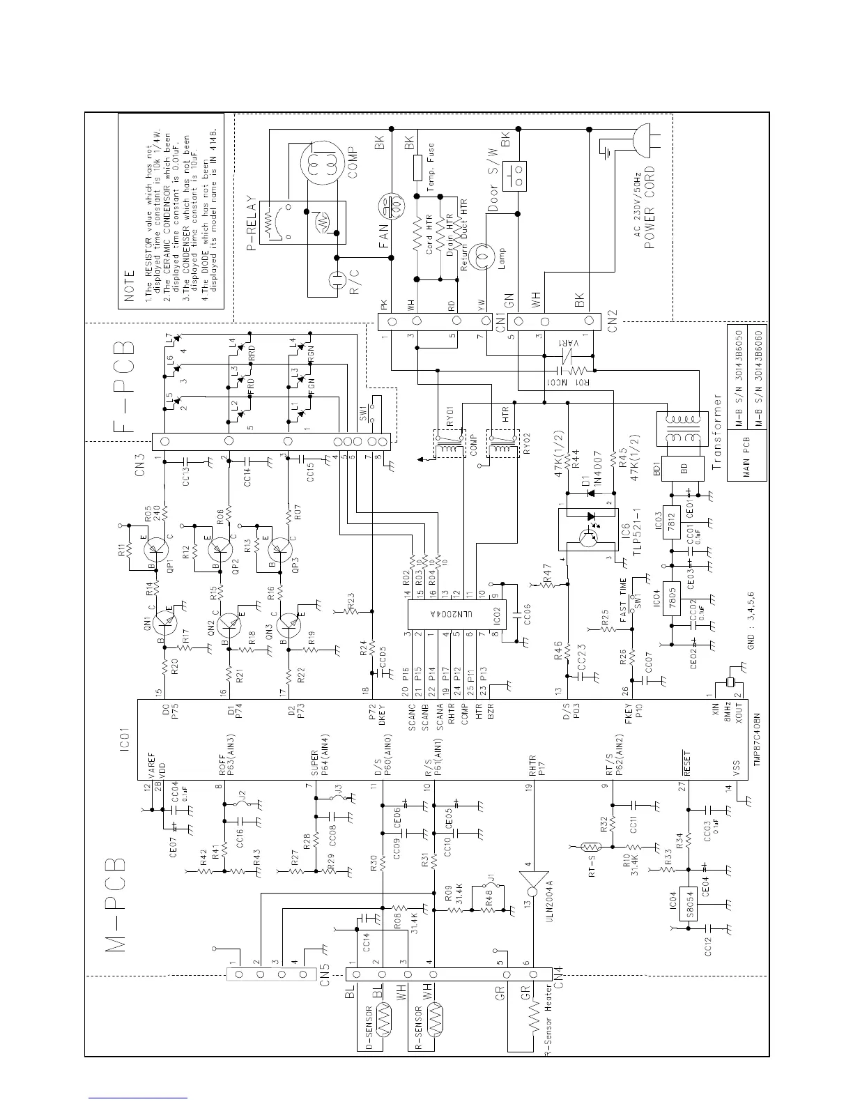
8.3- ERF-364AR, ERF-384AR, ERF-394AR, ERF-414AR
Daewoo Electronics 14