EasyManua.ls Logo

Daewoo FRN-U20DAI - 5. CIRCUIT OPERATION; 5-1. Power Circuit Diagram

Daewoo FRN-U20DAI
79 pages
Print Icon
To Next Page IconTo Next Page
To Next Page IconTo Next Page
To Previous Page IconTo Previous Page
To Previous Page IconTo Previous Page
Loading...
25
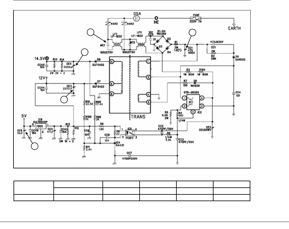
5-1. Power Circuit Diagram
5. CIRCUIT OPERATION
FRS(N)-U20IA
5Vdc14.5Vdc12Vdc310Vac230VdcVoltage
CE6CE4CE3CE1MC1
EDCBA
Parts
A
5. CIRCUIT OPERATION. 5-1. Power Circuit Diagram. FRS(N)-U20DA
B
D
C
E
A
B
C
D
E
Voltage of every part
Caution : Since high voltage (DC310V) is maintained at the power terminal, please take a measure after more
than 3minutes have passed after removing power cords in the abnormal operation of a circuit.

Related product manuals