EasyManua.ls Logo

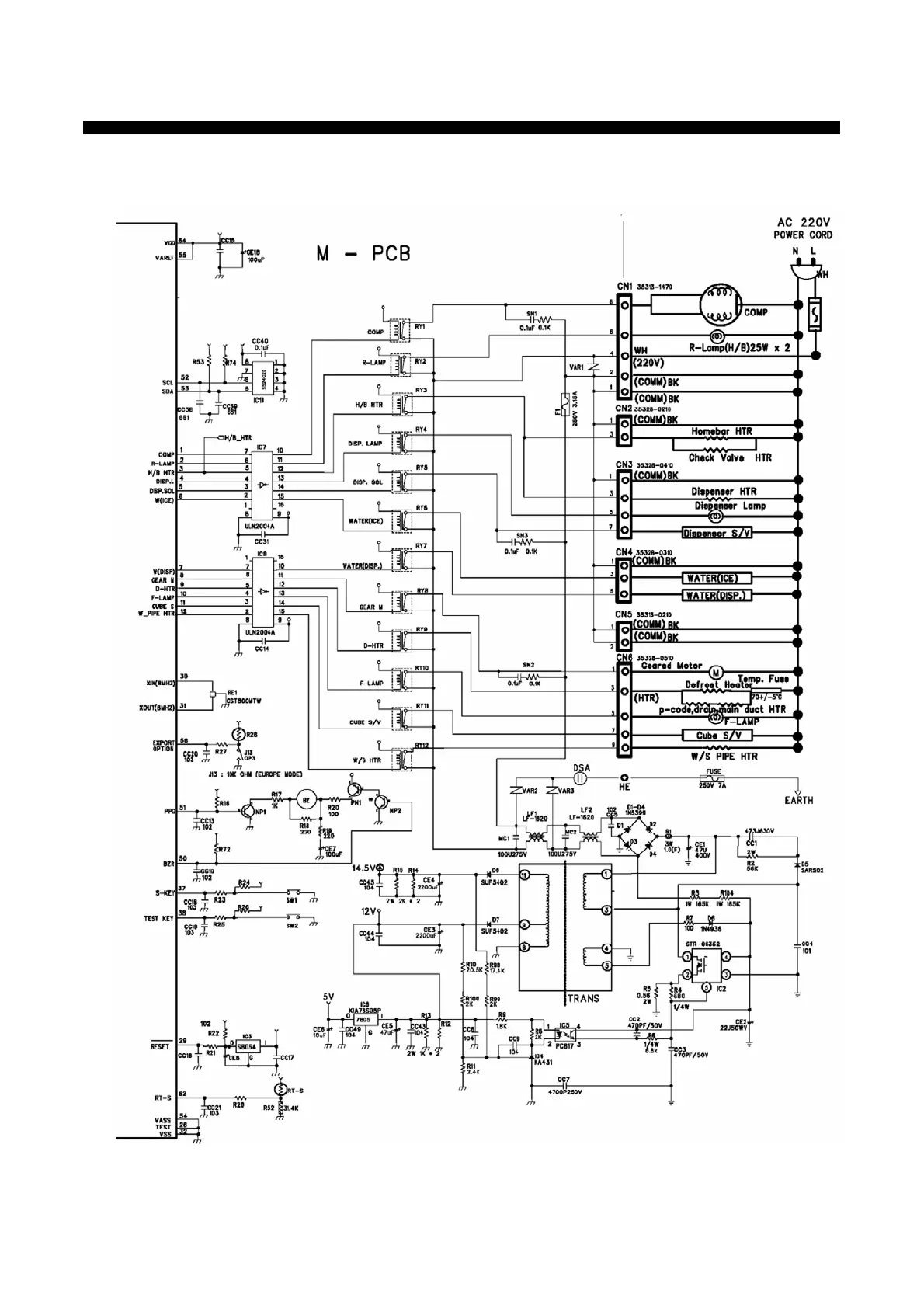
Daewoo FRN-U20DAI - Circuit Diagram of Main PCB

Daewoo FRN-U20DAI
79 pages
Print Icon
To Next Page IconTo Next Page
To Next Page IconTo Next Page
To Previous Page IconTo Previous Page
To Previous Page IconTo Previous Page
Loading...
32

Related product manuals