EasyManua.ls Logo

Daewoo FRN-U20DAI - 5-3. Fan Function

Daewoo FRN-U20DAI
79 pages
Print Icon
To Next Page IconTo Next Page
To Next Page IconTo Next Page
To Previous Page IconTo Previous Page
To Previous Page IconTo Previous Page
Loading...
28
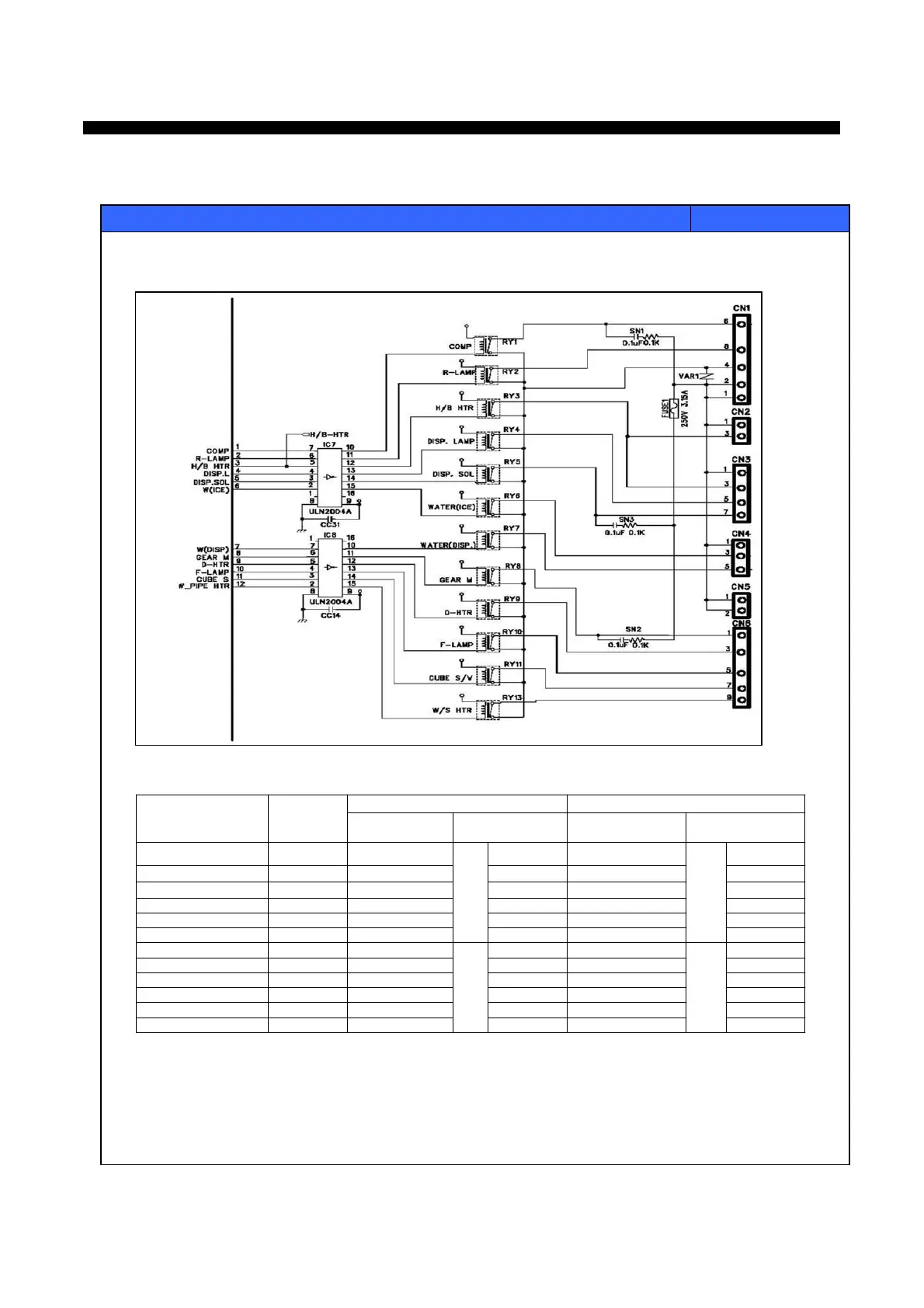
1. Circuit Diagram
CONTENTS REMARKS
FRS(N)-U20DA
2. How it works;
#1512V
#1412V
#1312V
#1212V
#1112V
#1012V
#1512V
#1412V
#1312V
#1212V
#1112V
#1012V
#150.7V
#140.7V
#130.7V
#120.7V
#110.7V
#100.7V
#150.7V
#140.7V
#130.7V
#120.7V
#110.7V
#100.7V
OFF ConditionON Condition
#30V#35.0VRelay 3H/B Heater
IC8
#70V
IC8
#75.0VRelay 7Water (Dispenser)
#60V#65.0VRelay 6Water (Ice)
#5
0V#55.0VRelay 5Dispenser-Solenoid
#40V#45.0VRelay 4Dispenser-Lamp
#90V#95.0VRelay 9D-Heater
#80V#85.0VRelay 8Geared-Motor
#100V#105.0VRelay 10F-Lamp
#110V#115.0VRelay 11Cube-Solenoid
Relay 12
Relay 2
Relay 1
Control Mode
Method
IC7
IC ULN2004
Output pin
#125.0V
#25.0V
#15.0V
MICOM Port
#120V
#20V
#10V
MICOM Port
IC7
Comp
IC ULN2004
Output pin
Water Pipe Heater
R-Lamp
Control
IC1
(MICOM)
D-Heater
Louver Heater
Comp
R-Lamp
F-Lamp