EasyManua.ls Logo

Daewoo FRS-U20DB series - Circuit Diagram of Main PCB

Daewoo FRS-U20DB series
92 pages
Print Icon
To Next Page IconTo Next Page
To Next Page IconTo Next Page
To Previous Page IconTo Previous Page
To Previous Page IconTo Previous Page
Loading...
39
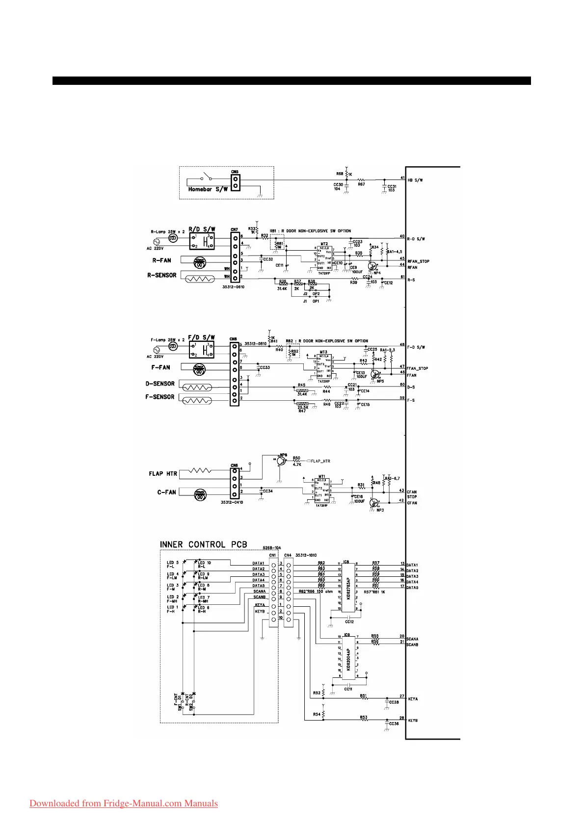
6-2. Circuit Diagram of Main PCB
- Basic Model
Downloaded from Fridge-Manual.com Manuals

Related product manuals