EasyManua.ls Logo

Daewoo FRS-U20FF. - Page 29

Daewoo FRS-U20FF.
84 pages
Print Icon
To Next Page IconTo Next Page
To Next Page IconTo Next Page
To Previous Page IconTo Previous Page
To Previous Page IconTo Previous Page
Loading...
29
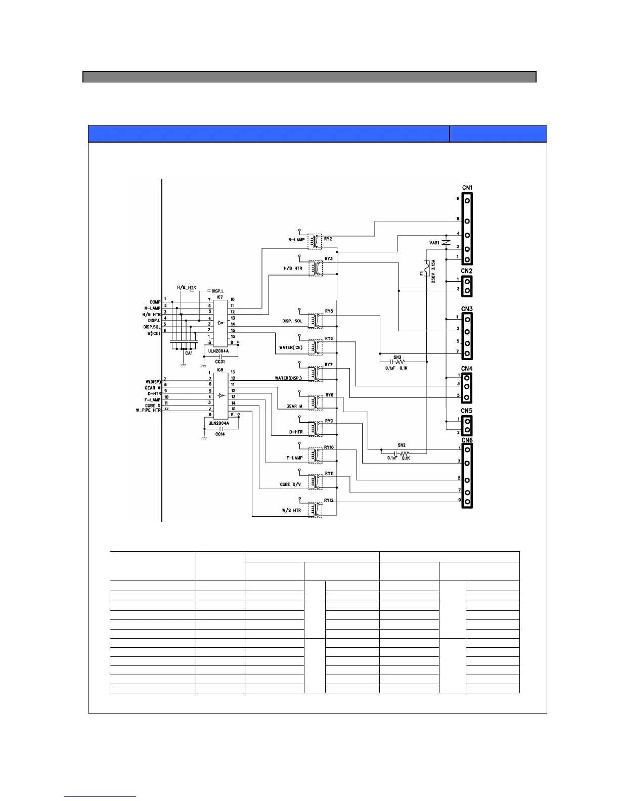
5-3. Relay Function
1. Circuit Diagram
CONTENTS REMARKS
2. How it works;
#1512V
#1412V
#1312V
#1212V
#1112V
#1012V
#1512V
#1412V
#1312V
#1212V
#1112V
#1012V
#150.7V
#140.7V
#130.7V
#120.7V
#110.7V
#100.7V
#150.7V
#140.7V
#130.7V
#120.7V
#110.7V
#100.7V
OFF ConditionON Condition
#30V#35.0VRelay 3H/B Heater
IC8
#70V
IC8
#75.0VRelay 7Water valve (Dispenser)
#60V#65.0VRelay 6Water valve (Ice)
#5
0V#55.0VRelay 5Dispenser-Solenoid
#40V#45.0V--
#90V#95.0VRelay 9Defrost-Heater
#80V#85.0VRelay 8Geared-Motor
#100V#105.0VRelay 10F-Lamp
#110V#115.0VRelay 11Cube-Solenoid
Relay 12
Relay 2
-
Control Mode
Method
IC7
IC ULN2004
Output pin
#125.0V
#25.0V
#15.0V
MICOM Port
#120V
#20V
#10V
MICOM Port
IC7
-
IC ULN2004
Output pin
Water Pipe Heater
R-Lamp
Control
IC1
(MICOM)

Related product manuals