EasyManua.ls Logo

Daewoo FRS-U20IV - Water System for Dispenser Model

Daewoo FRS-U20IV
61 pages
Print Icon
To Next Page IconTo Next Page
To Next Page IconTo Next Page
To Previous Page IconTo Previous Page
To Previous Page IconTo Previous Page
Loading...
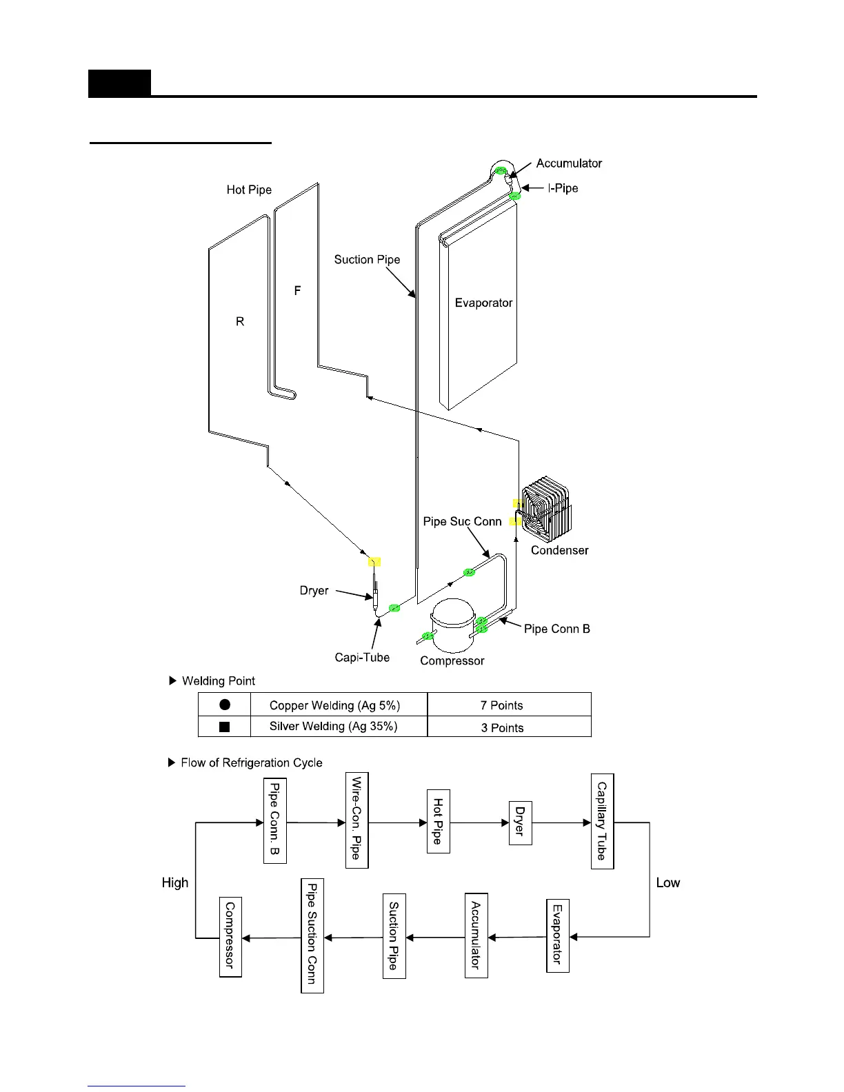
COOLING CYCLE HEAVY REPAIR
Brzing Reference Drawings
51

Related product manuals