EasyManua.ls Logo

Daewoo FRU-541 F - Diagram; Wiring Diagram

Daewoo FRU-541 F
96 pages
Print Icon
To Next Page IconTo Next Page
To Next Page IconTo Next Page
To Previous Page IconTo Previous Page
To Previous Page IconTo Previous Page
Loading...
40
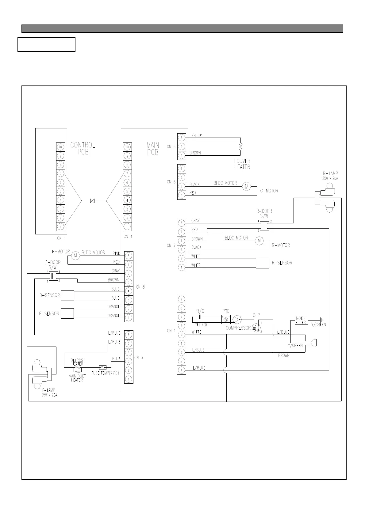
6-1. Wiring Diagram
6. DIAGRAM
FRS(N)-U20IA

Related product manuals