EasyManua.ls Logo

Daewoo G420E - Chapter 6 MI-04 Electrical Connections

Daewoo G420E
88 pages
Print Icon
To Next Page IconTo Next Page
To Next Page IconTo Next Page
To Previous Page IconTo Previous Page
To Previous Page IconTo Previous Page
Loading...
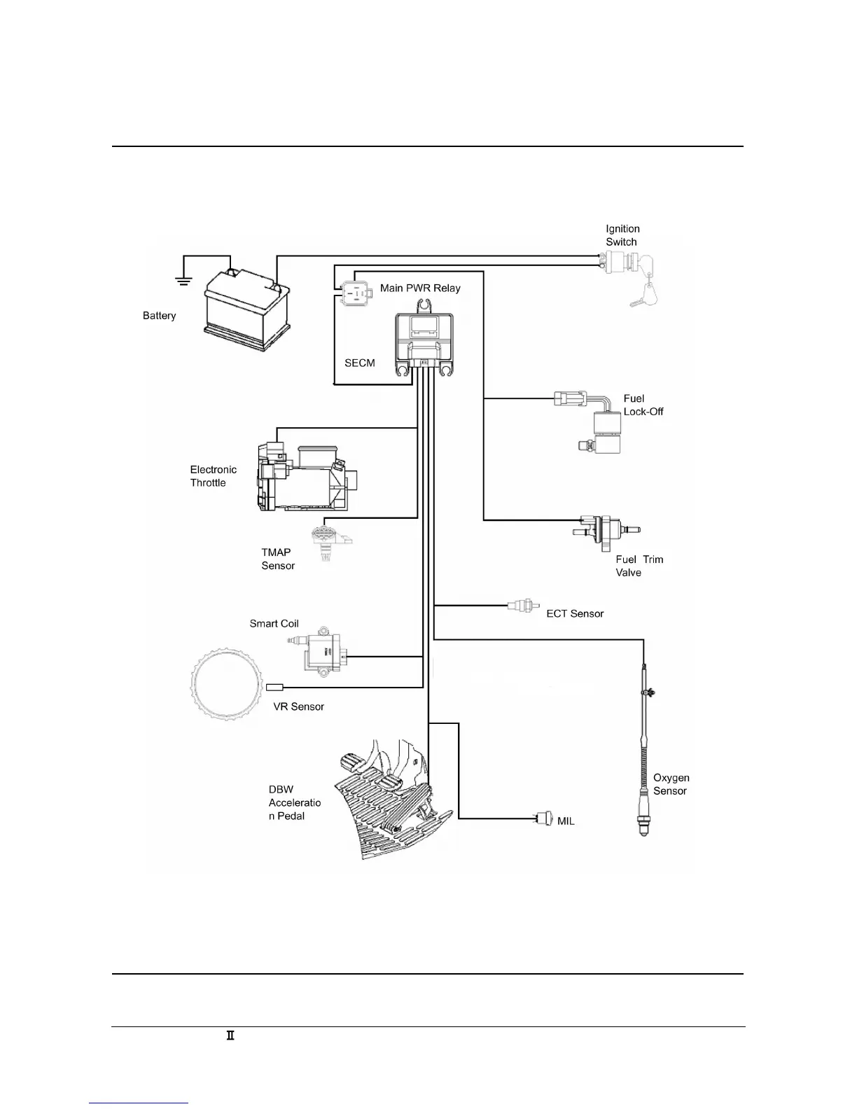
G420E/G424E Tier LP Engine Electrical Connections 60
CHAPTER 6 MI-04 ELECTRICAL CONNECTIONS
Figure E1

Table of Contents

Related product manuals