EasyManua.ls Logo

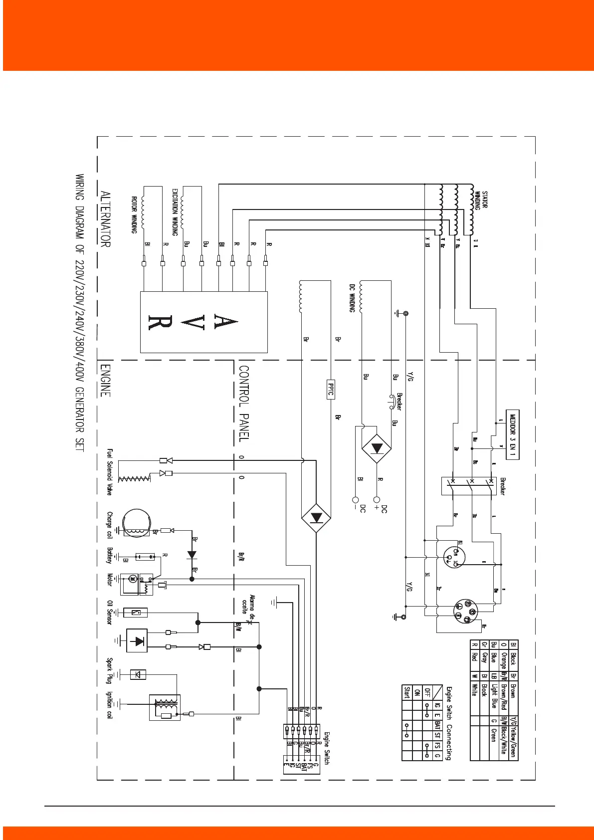
Daewoo GDA Series - ELECTRICAL SCHEMATIC DIAGRAM 5 - ELECTRIC START, THREE PHASE; Electric Start Three Phase Wiring Diagram

Daewoo GDA Series
Print Icon
To Next Page IconTo Next Page
To Next Page IconTo Next Page
To Previous Page IconTo Previous Page
To Previous Page IconTo Previous Page
Loading...
ELECTRICAL SCHEMATIC DIAGRAM 5 - ELECTRIC START, THREE PHASE
46

Related product manuals