EasyManua.ls Logo

Daewoo NC-8011 - Page 27

Daewoo NC-8011
44 pages
Print Icon
To Next Page IconTo Next Page
To Next Page IconTo Next Page
To Previous Page IconTo Previous Page
To Previous Page IconTo Previous Page
Loading...
8
1
2
3
4
5
7
7
8
9
9
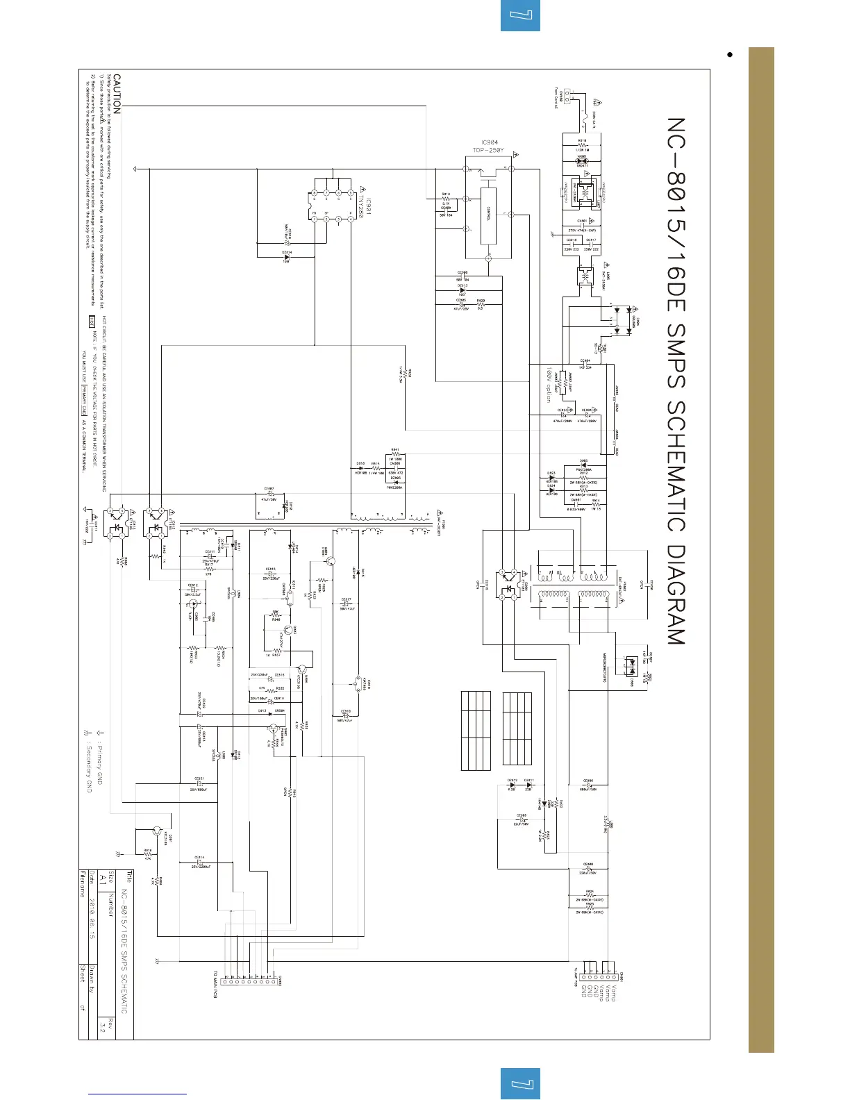
SMPS Section
7
SchematicDiagram
1
3
4
5
7
(Only NC-8015/8016DE Model)
LOC
X
X
O
O
O
6.2B
NC-8015DE
X
NC-8016DE
P
_f
ai
l
GND
+9V_SW
CE MODEL
22B
680UF/50V
TOSHIBA MODEL
30B
2200UF/50V
4.3B
-9V_SW
GND
JW924
JW923
L907
NC-8015/8016DE POWER OPTION
SYS +5.3V_SW
STBY
+5V
_UN
S
W
LOC
NC-8015/8016DE POWER OPTION
DZ911
DZ912
CE
906
MAIN Power_On
MVCC +5.3V_SW

Related product manuals