EasyManua.ls Logo

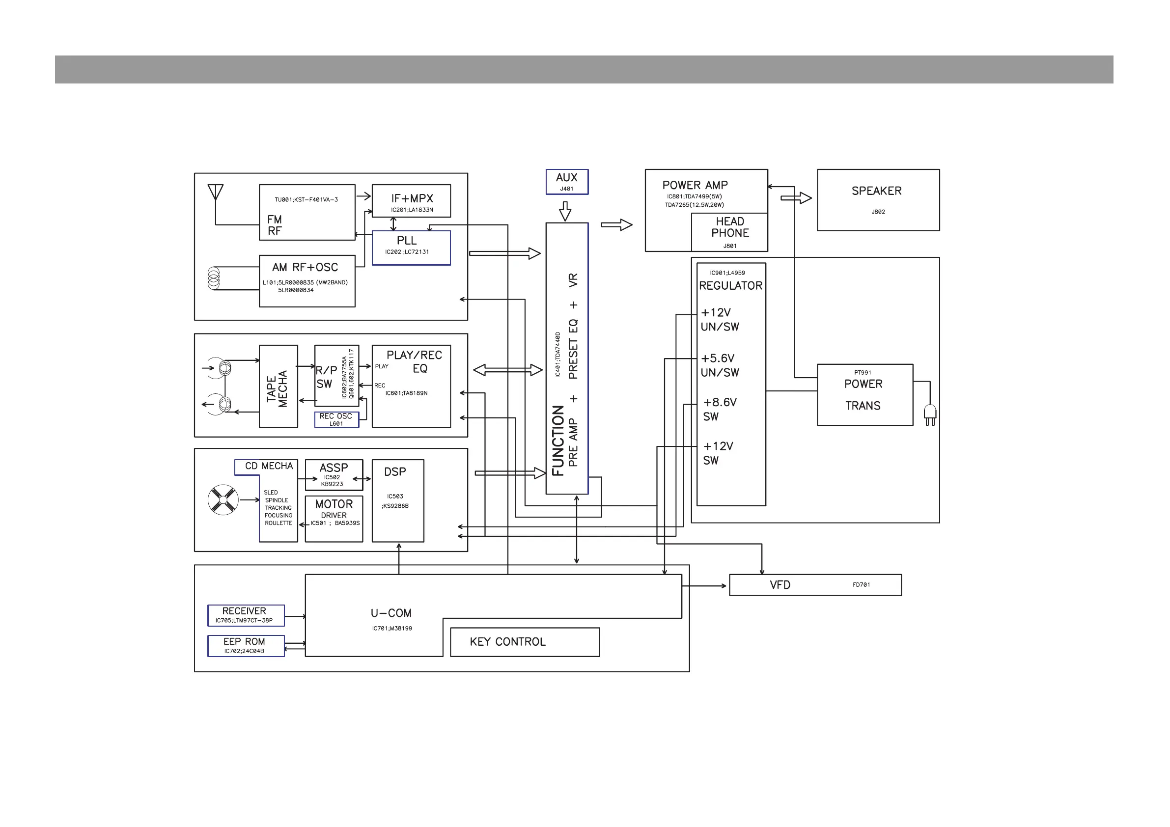
Daewoo XM-113 - System Block Diagram

Daewoo XM-113
27 pages
Print Icon
To Next Page IconTo Next Page
To Next Page IconTo Next Page
To Previous Page IconTo Previous Page
To Previous Page IconTo Previous Page
Loading...
Block Diagram
8
Model : XM-111/XM-113

Related product manuals