EasyManua.ls Logo

Daikin 4MXL-T Series

Daikin 4MXL-T Series
299 pages
To Next Page IconTo Next Page
To Next Page IconTo Next Page
To Previous Page IconTo Previous Page
To Previous Page IconTo Previous Page
Loading...
SiUS121827E ARC452A21
Part 5 Remote Controller 127
Reference
Refer to the following pages for details.
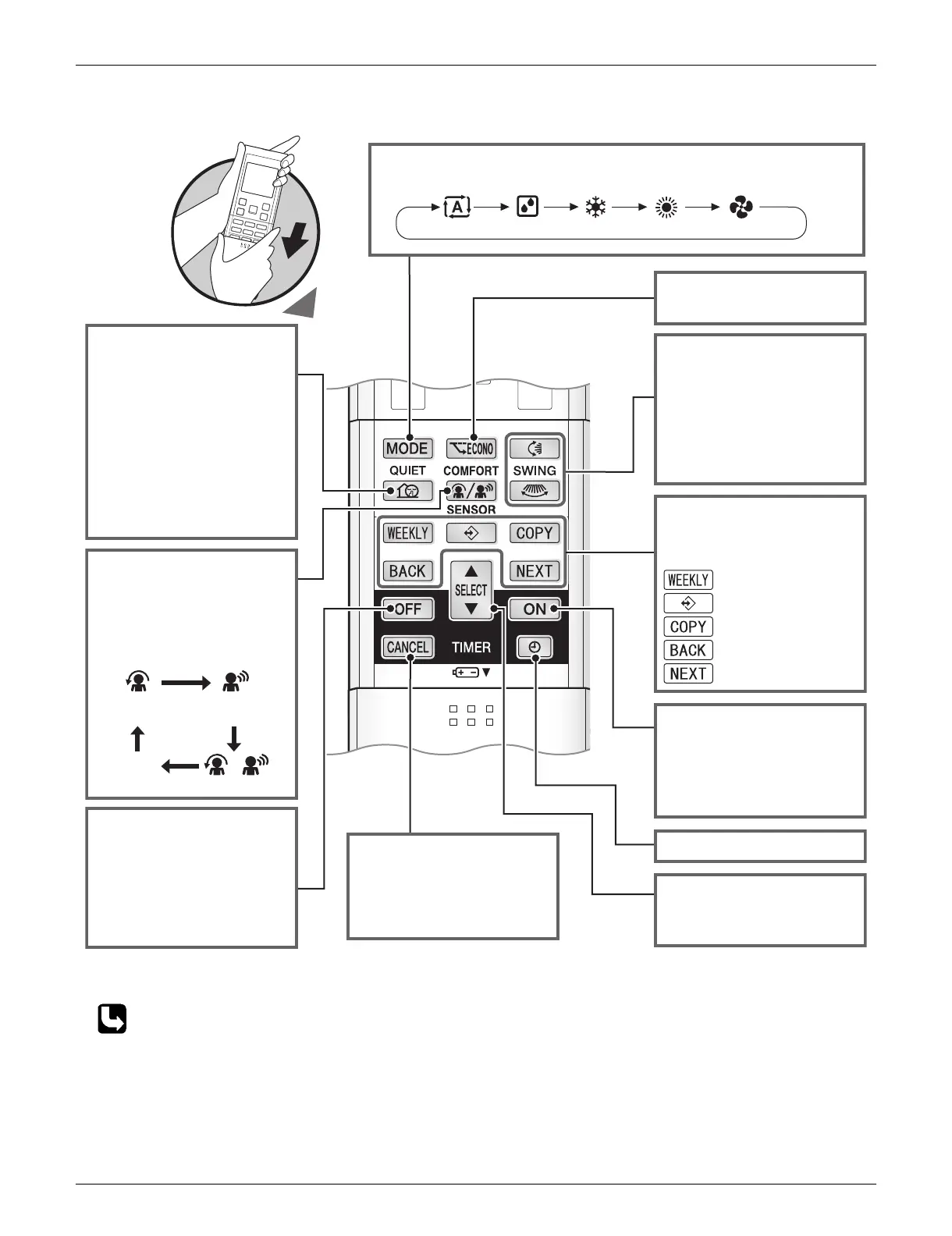
ON TIMER button
: WEEKLY button
: PROGRAM button
: COPY button
: BACK button
: NEXT button
SELECT button
Open the Front Cover
ECONO
4
button
• Adjusts the airflow direction.
When you press SWING
button, the flap moves up and
down, or (and) the louver
moves right and left. The flap
(louver) stops when you press
SWING button again.
CLOCK
7
button
• Changes the ON/OFF TIMER
and WEEKLY TIMER settings.
TIMER CANCEL
button
QUIET button
(R25075)
• Starts ECONO operation.
SWING
5
buttons
• Press this button and adjust
the day and time with
SELECT button.
Press this button again to
complete TIMER setting.
• Cancels the timer setting.
• Cannot be used for the
WEEKLY TIMER operation.
blank
No Setting
Combination
• Press this button and adjust
the day and time with
SELECT button.
Press this button again to
complete TIMER setting.
COMFORT
2
/SENSOR
3
button
INTELLIGENT
EYE
COMFORT
AIRFLOW
• Every time you press
COMFORT/SENSOR button,
the setting changes in the
following order.
• Starts OUTDOOR UNIT
QUIET operation.
• OUTDOOR UNIT QUIET
operation is not available in
FAN and DRY operation.
• OUTDOOR UNIT QUIET
operation and POWERFUL
operation cannot be used at
the same time. Priority is
given to the function you
pressed last.
MODE button
• Selects the operation mode.
AUTO DRY COOL HEAT FAN
WEEKLY button
(WEEKLY TIMER
Operation
6
)
OFF TIMER button
(NIGHT SET mode)
2 COMFORT AIRFLOW operation P.61, 64 5 Auto-swing P.61
3 INTELLIGENT EYE operation P.70 6 WEEKLY TIMER operation P.76
4 ECONO operation P.69 7 Clock setting P.75

Table of Contents

Related product manuals