EasyManua.ls Logo

Daikin CDX60HAVEA - Page 378

Daikin CDX60HAVEA
410 pages
Print Icon
To Next Page IconTo Next Page
To Next Page IconTo Next Page
To Previous Page IconTo Previous Page
To Previous Page IconTo Previous Page
Loading...
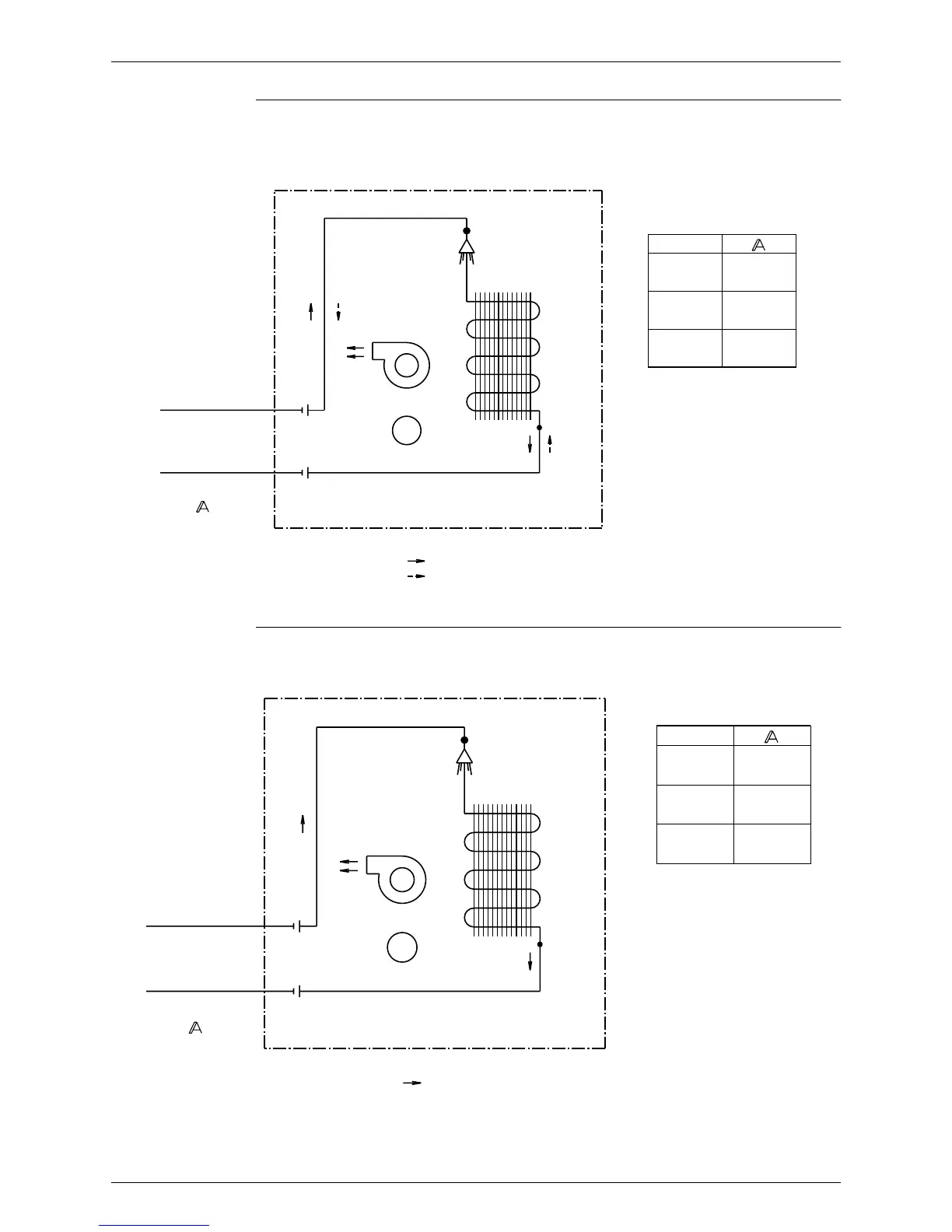
Si18-201 Piping Diagrams
Appendix 365
CDX25 / 35 / 50 / 60HAVEA, CDX25 / 35 / 50 / 60HAVEC, CDX25 / 35 / 50 / 60HAV1NB,
CDX25 / 35 / 50 / 60JV1NB, CDX 25 / 35JVEC
FLK25 / 35 / 50 / 60HVE (A) , FLK25 / 35 / 50 / 60HVEC, FLK25 / 35 / 50 / 60HVET
FIELD PIPING
FIELD PIPING
(
CuT
)
(
6.4CuT
)
INDOOR UNIT
SIROCCO FAN
FAN MOTOR
REFRIGERANT FLOW
M
HEATING
COOLING
HEAT EXCHANGER
CDX35
,
50-
CDX60-
CDX25-
12.7
15.9
9.5
4D024749
FIELD PIPING
FIELD PIPING
(
CuT
)
(
6.4CuT
)
INDOOR UNIT
SIROCCO FAN
FAN MOTOR
REFRIGERANT FLOW
M
COOLING
HEAT EXCHANGER
FLK35
,
50-
FLK25-
FLK60-
12.7
15.9
9.5
4D024774

Table of Contents

Related product manuals