EasyManua.ls Logo

Daikin DCC180 - Appendix D Wiring Diagrams

Daikin DCC180
36 pages
Print Icon
To Next Page IconTo Next Page
To Next Page IconTo Next Page
To Previous Page IconTo Previous Page
To Previous Page IconTo Previous Page
Loading...
22
HIGH VOLTAGE!
DISCONNECT ALL POWER BEFORE SERVICING OR INSTALLING THIS
UNIT. MULTIPLE POWER SOURCES MAY BE PRESENT. FAILURE TO
DO SO MAY CAUSE PROPERTY DAMAGE, PERSONAL INJURY OR DEATH.
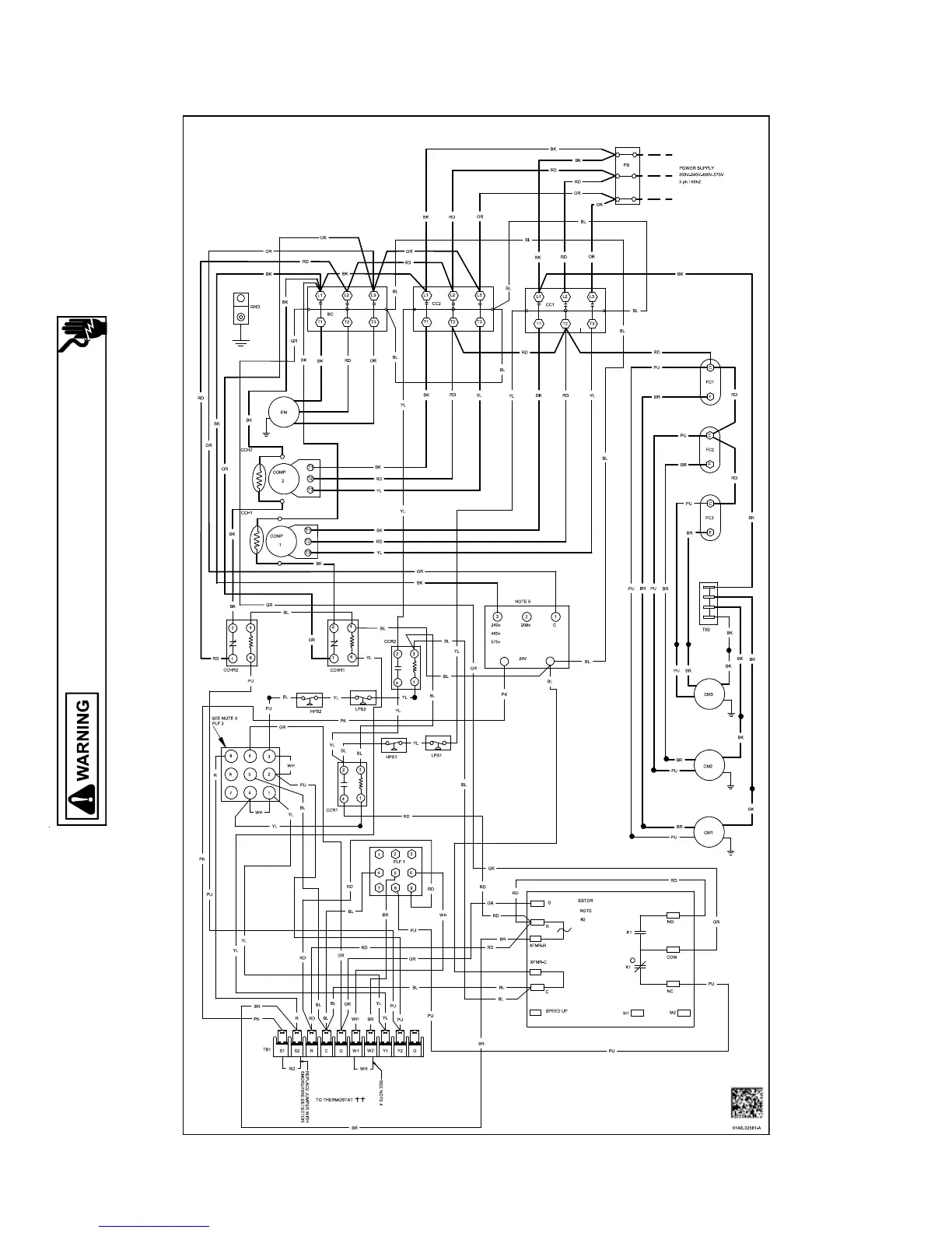
Wiring is subject to change. Always refer to the wiring diagram on the unit for the most up-to-date wiring.
WIRING DIAGRAMS DCC180*/DCC240* 208-230, 460, 575 / 3 / 60 1 SPEED
APPENDIX D WIRING DIAGRAMS

Related product manuals