EasyManua.ls Logo

Daikin DCC180 - Page 26

Daikin DCC180
36 pages
Print Icon
To Next Page IconTo Next Page
To Next Page IconTo Next Page
To Previous Page IconTo Previous Page
To Previous Page IconTo Previous Page
Loading...
26
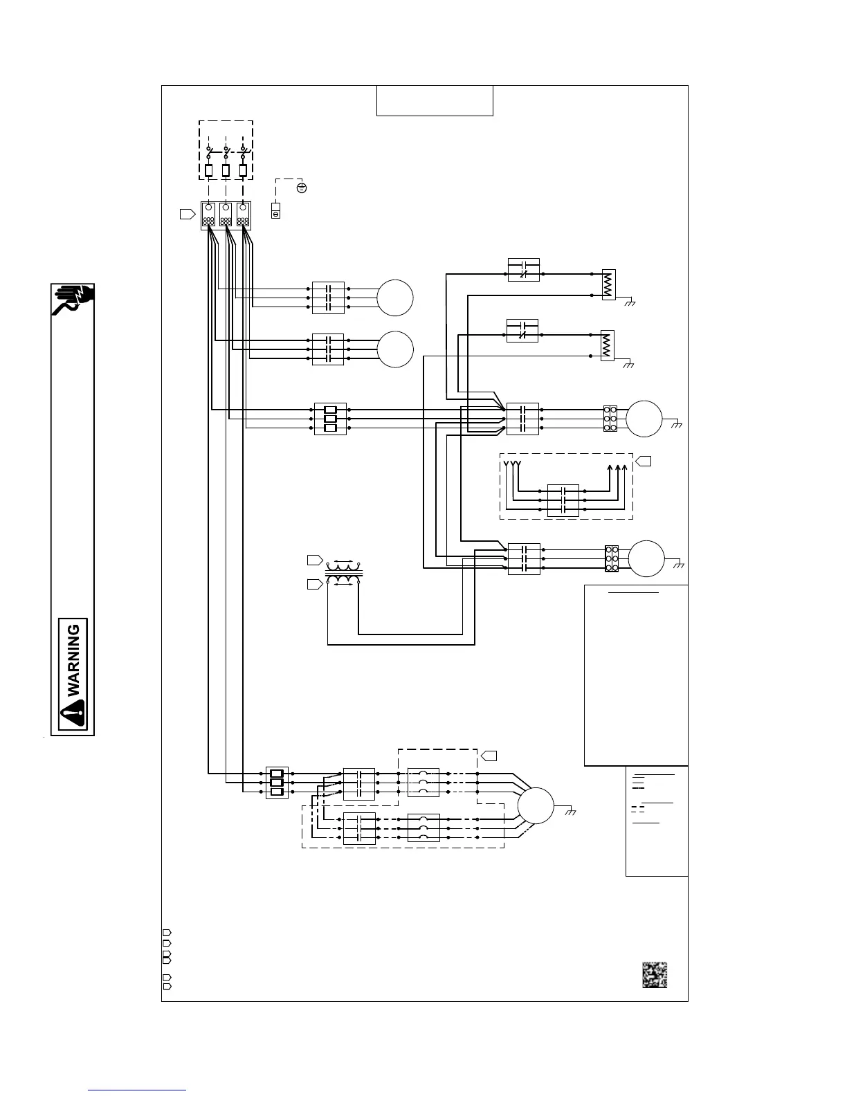
Wiring is subject to change. Always refer to the wiring diagram on the unit for the most up-to-date wiring.
HIGH VOLTAGE!
DISCONNECT ALL POWER BEFORE SERVICING OR INSTALLING THIS
UNIT. MULTIPLE POWER SOURCES MAY BE PRESENT. FAILURE TO
DO SO MAY CAUSE PROPERTY DAMAGE, PERSONAL INJURY OR DEATH.
WIRING DIAGRAMS
DCC300* 208-230, 460, 575 / 3 / 60 1 SPEED
0140L04899 -A
RD
NOTES:
1. REPLACEMENT WIRE MUST BE SAME SIZE AND TYPE OF INSULATION AS ORIGINAL (USE COPPER CONDUCTORS ONLY).
2. THE CONTROL TRANSFORMER HAS MULTIPLE HIGH VOLTAGE TAPS.
ENSURE WIRE CONNECTIONS ARE CORRECT FOR UNIT SUPPLY VOLTAGE RATING
L1
L2
L3
T1
T2
T3
F1
F2
F3
L1
L2
L3
T1
T2
T3
COMP 1
COMP 2
L1
L2
L3
T1
T2
T3
L1
L2
L3
T1
T2
T3
RD
GY
BK
BK
BR
PU
BR
PU
BK
PU
BK
BR
YL
BK
BK
BK
BR
RD
PU
PU
BK
RD
RD
YL
PU
RD
PU
BR
RD
YL
PU
BR
PU
BK
BK
BK
BK
BK
BK
BK
BK
BK
BK
3. 208/230V SUPPLY POWER UNITS ARE FACTORY CONNECTED TO THE CONTROL TRANSFORMER 240V TAP.
MOVE WIRE CONNECTION FROM 240V TAP TO 208V TAP WHEN 208V POWER SUPPLY IS USED.
BR
PU
BK
LINE
VOLTAGE
24V CNTL
VOLTAGE
TR1
CCAS1
CMC 1
CCAS2
CMC 2
FB 1
CC2
CC1
PB
CCH1
CCH2
GY
BK
BK
BR
L1
L2 L3
GR
GR
4. SEE CONTROL DIAGRAM FOR CONTROL TRANSFORMER LOW VOLTAGE CONNECTIONS
5. OPTIONAL; CB1,CB2,BC2 AND ASSOCIATED WIRING IS PRESENT ONLY WITH 2-SPEED EVAPORATOR MOTOR.
4
2,3
CM1
CM2
YL
BK
BR
PU
BK
BR
GR
GR
1
2
3
1
2
3
1
2
3
1
2
3
PU
BK
BR
PU
BK
BR
L1
L2
L3
L1
L2
L3
6. USE COPPER CONDUCTORS ONLY. UNIT TERMINALS ARE NOT DESIGNED FOR OTHER CONDUCTORS.
THE USE OF OTHER TYPE CONDUCTORS MAY CAUSE DAMAGE TO THE UNIT.
GND
RD
BK
BLOWER CONTACTOR
ELECTRONICBLOWER TIME DELAY
RELAY
BC
EBTDR
PLM
OPTIONAL
HIGH VOLTAGE
BLOWER RELAY
COMPRESSORCONTACTOR RELAY
CCR
COMPRESSORCONTACTOR
CONDENSERMOTOR
COMPRESSOR
ECONOMIZER
EVAPORATOR MOTOR
HIGH PRESSURE SWITCH
LOW PRESSURESWITCH
POWER DISTRIBUTION BLOCK
FEMALEPLUG/ CONNECTOR
LOW VOLTAGE TERMINAL BLOCK 1
CONTROL TRANSFORMER
(LINEVOLTAGE/24VAC)
CC
CM
COMP
ECON
EM
HPS
LPS
PB
PLF
TB1
TR1
C
OMPONENT LEGEND
LOW VOLTAGE
LINE VOLTAGE
F
IELD WIRING
LOW VOLTAGE
F
ACTORY WIRING
HIGH VOLTAGE
GR GRE EN
W
IRE CODE
BL BLUE
PU PURPLE
PK PINK
WH WHITE
BK BLACK
RD RED
BR BROWN
OR ORANGE
YL YELLOW
GY GRA Y
CIRCUIT BREAKER
CRANKCASEHEATER
BR
CB
CCH
MALE PLUG/ CONNECTOR
LOW VOLTAGE TERMINAL BLOCK 3
TB3
CONDENSERMOTORCONTACTOR
CMC
CC AUX SWITCH
CCAS
CM/CCH/TR1FUSEBLOCK
FB1
EM FUSEBLOCK
FB2
CM/CCH/TR1FUSES
F1, F2, F3
EM FUSES
F4, F5, F6
L2
L3
L1
L2
L3
L1
L1 L2 L3
LINE VOLTAGE
YL
RD
BK
PU
OR
7
7. SEE ACCESSORY KIT LITERATURE FOR OPTIONAL ELEC HEAT AND CONVENIENCE OUTLET WIRING DIAGRAMS.
POWER DIAGRAM
DCC300 ***(3,4,7)
PLM
PLF
PLM
PLF
PU
YL
L1
L2
L3
T1
T2
T3
LAC MC
8
YL
BK
BR
BK
BR
YL
T3
T2
T1
L1
L2
L3
T1
T2
T3
EM
GY
BL
YL
RD
BL
BK
OR
RD
YL
BK
OR
GY
F4
F5
F6
RD
BK
OR
RD
BK
OR
BC1
BC 2
FB 2
YL (11)
BK (1)
BK (2)
BK (3)
YL (13)
YL (12)
GR
5
L1
L2
L3
T1
T2
T3
L1
L2
L3
T1
T2
T3
L1
L2
L3
T1
T2
T3
RD
BK
OR
RD
BK
OR
CONDENSERMOTOR RELAYCMR
FM EVAPORATOR FREEZESTAT
MODULE
LACMC
LOW AMB IENT CONDEN SE RMOTOR
CONTACTOR
LAM
LOW AMBIENTMODULE
LAR
LOW AMBIENT RELAY
LOW AMBIENT TIMER
LAT
8. IF LOW AMBIENT KIT INSTALLED, DISCONNECT CONDENSER MOTOR WIRES (BK,BR,YL) FROM CMC1 (T1,T2,T3)
AND CONNECT TO CORRESPONDING BK,BR,YL WIRES ON LOW AMBIENT HARNESS (INSULATED MALE QUICK CONNECT).
ALSO CONNECT LOW AMBIENT HARNESS WIRES (BK,BR,YL) (INSULATED FEMALE QUICK CONNECT) TO T1,T2,T3 ON CMC1.
BK
GY
BK
BK
BK
BR
RD
RD
PU
PU
CB1
HIGH
SPEED
CB2
LOW
SPEED
BR

Related product manuals