33
⚠ Warning
High Voltage:
⚡
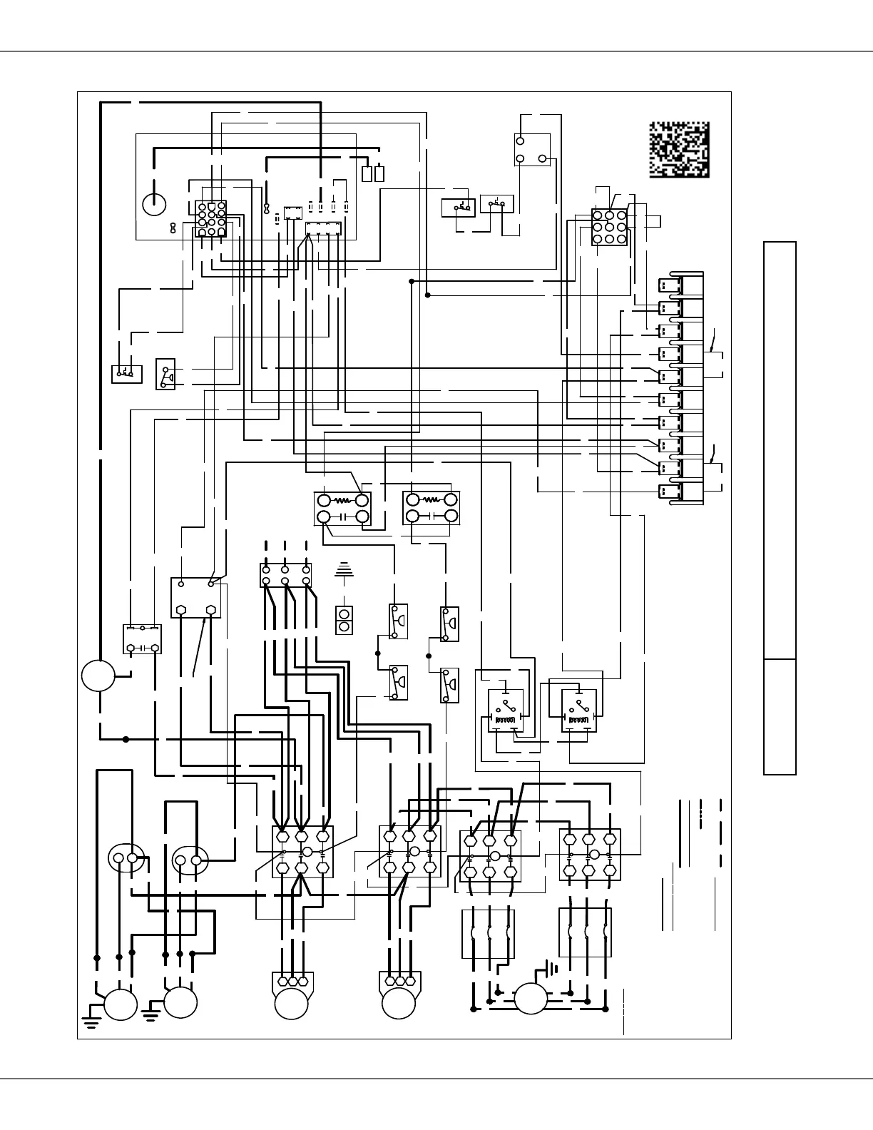
0140L02575-A
BK
CM1
FC1
F
C
CM2
PU
FC2
F
C
COMP1
T2
T3
T1
L3
T3
C
L2
L1
T2
T1
CC1
YL
RD
BK
C
TR
24V
COMP 2
T2
T3
T1
L3
T3
C
L2
L1
T2
T1
CC2
YL
RD
BK
BL
BL
OR
OR
RD
RD
BK
BK
LPS1
3
22
22222
4
1
2
CCR1
3
22
22222
4
1
2
CCR 2
LPS 2
HPS 2
HIGH
EM
LOW
T1
L3
T2
L1
T3
L2
CB1
HIGH
SPEED
T1
L3
T2
L1
T3
L2
CB2
LOW
SPEED
L3
T3
C
L2
L1
T2
T1
BC 1
L3
T3
C
L2
L1
T2
T1
BC 2
RD
OR
RD
BK
BK
RD
BK
GR
C
OLO
R C
O
DE
BK --------------- BLACK
BL --------------- BLUE
BR --------------- BROWN
OR --------------- ORANGE
PU --------------- PURPLE
RD --------------- RED
WH -------------- WHITE
YL --------------- YELLOW
PK --------------- PINK
GR---------------- GREEN
GY---------------- GREY
W
IR
ING
C
O
D
E
FACTOR
Y
WIRING
HIGH VOLTAGE
LOW VOLTAGE
OPTIONAL HIGH VOLTAGE
FI
ELD
WIRING
HIGH VOLTAGE
S1
S2
R
C
G
W1
W2
Y1
Y2
O
3
2
1
96
8
7
4
5
PU
PK
PK
PU
WH
YL
WH
GR
BL
BL
BL
WH
YL
PU
YL
BR
WH
WH
BL
BL
RD
BL
BK
BK
PU
BR
BK
BR
BL
BL
BL
BL
BL
GR
YL
YL
BL
OR
YL
VM
PU
OR
RD
RD
BK
RD
BK
RD
YL
HPS1
YL
OR
BK
RD
VMR
3
1
BL
BL
WH
OR
OR
OR
BL
BL
PLF
PU
PK
PK
WH
GV
RS
ALS
BR
PU
IIC
WH
RD
GR
OR
SEE
NOTE 3
L
2
U
N
U
S
E
D
C
O
O
L
H
E
A
T
D
I
F
S
L
1
4
5
6
2
3
1
GR
BL
PU
PU
BR
YL
YL
PU
RD
RD
WH
BL
BK
BK
BK
YL
YL
YL
GR
GR
LS
PS
RD
RD
RD
FS
YL
PU
BR
IGN
RD
OR
YL
WH
WH
BL
BL
BL
BL
BL
BL
BL
BL
BL
WH
GR
PU
RD
RD
RD
RD
RD
YL
PK
YL
YL
YL
GR
BL
GY
BL
YL
BR
RD
RD
RD
WH
RD
POWER SUPPLY
208-240/3/60
SEE NOTE 4
PB
BK
BK
RD
OR
YL
YL
GND
OR
RD
BK
RD
OR
BL
YL
RD
BL
RD
RD
GR
GR
BR1
BR2
5
3
2
1
4
NC
NO
GR
5
3
2
1
4
NC
NO
YL
BL
GY
YL
BK
OR
REPLACE JUMPER WITH
SMOKE/FIRE DETECTOR
SEE NOTE 5
SEE NOTE 2
SEE NOTE 6
208
240
BK
BK
BK
YL
YL
YL
GR
RD
RD