EasyManua.ls Logo

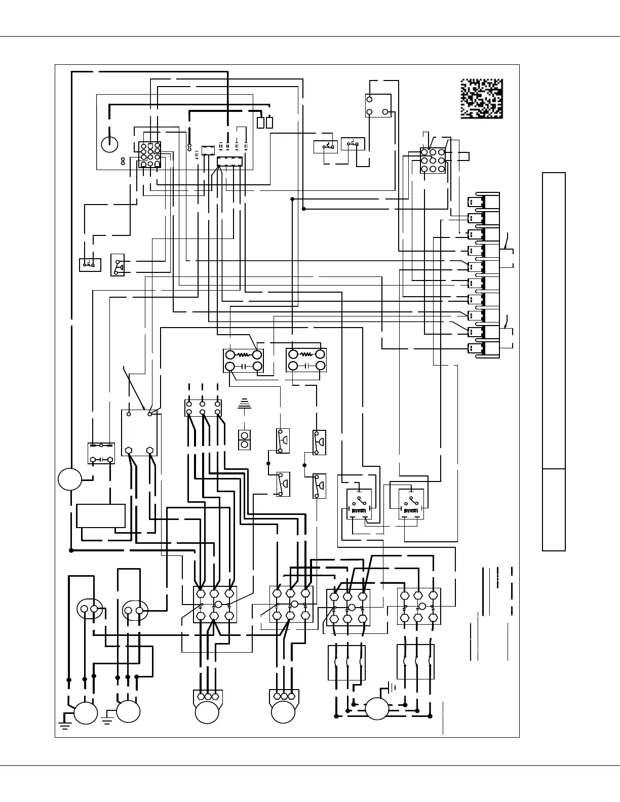
Daikin DCG090 - DCG 10-12½ Tons (460 V;575 V, Two-Speed, Three-Phase Belt Drive) Wiring Diagram

Daikin DCG090
44 pages
Print Icon
To Next Page IconTo Next Page
To Next Page IconTo Next Page
To Previous Page IconTo Previous Page
To Previous Page IconTo Previous Page
Loading...
  35
     
      
     
Warning
High Voltage:           

0140L02567-A
BK
CM1
FC1
F
C
CM2
PU
FC2
F
C
COMP1
T2
T3
T1
L3
T3
C
L2
L1
T2
T1
CC1
YL
RD
BK
C
TR
24V
COMP 2
T2
T3
T1
L3
T3
C
L2
L1
T2
T1
CC2
YL
RD
BK
BL
BL
OR
OR
RD
BK
BK
LPS1
3
22
22222
4
1
2
CCR1
3
22
22222
4
1
2
CCR 2
LPS 2
HPS 2
HIGH
EM
LOW
T1
L3
T2
L1
T3
L2
CB1
HIGH
SPEED
T1
L3
T2
L1
T3
L2
CB2
LOW
SPEED
L3
T3
C
L2
L1
T2
T1
BC 1
L3
T3
C
L2
L1
T2
T1
BC 2
RD
OR
RD
BK
BK
RD
BK
GR
CO
L
OR C
O
DE
BK --------------- BLACK
BL --------------- BLUE
BR --------------- BROWN
OR --------------- ORANGE
PU --------------- PURPLE
RD --------------- RED
WH -------------- WHITE
YL --------------- YELLOW
PK --------------- PINK
GR---------------- GREEN
GY---------------- GREY
WIRI
NG
COD
E
FAC
T
OR
Y
WIRIN
G
HIGH VOLTAGE
LOW VOLTAGE
OPTIONAL HIGH VOLTAGE
F
IELD
W
IRIN
G
HIGH VOLTAGE
S1
S2 R
C
G
W1
W2
Y1
Y2
O
3
2
1
96
8
7
4
5
PU
PK
PK
PU
WH
YL
WH
GR
BL
BL
BL
WH
YL
PU
YL
BR
WH
WH
BL
BL
RD
BL
BK
BK
PU
BR
BK
BR
BL
BL
BL
BL
BL
GR
YL
YL
BL
OR
YL
VM
PU
OR
RD
BK
RD
BK
RD
YL
HPS1
YL
OR
BK
VMR
3
1
BL
BL
WH
RD
RD
BL
BL
PLF
PU
PK
PK
WH
GV
RS
ALS
BR
PU
IIC
WH
RD
GR
OR
SEE
NOTE 3
L
2
U
N
U
S
E
D
C
O
O
L
H
E
A
T
D
I
F
S
L
1
4
5
6
2
3
1
ECON
1
1
8
1
2
9
7
1
0
GR
BL
PU
PU
BR
YL
YL
PU
RD
RD
WH
BL
BK
BK
BK
YL
YL
YL
GR
GR
LS
PS
RD
R
D
R
D
FS
YL
PU
BR
IGN
RD
OR
YL
WH
WH
BL
BL
BL
BL
BL
BL
BL
BL
BL
WH
GR
PU
RD
RD
RD
RD
RD
YL
PK
YL
YL
YL
GR
BL
GY
BL
YL
BR
RD
RD
RD
WH
RD
PB
BK
BK
RD
OR
YL
YL
GND
OR
RD
BK
RD
OR
BL
YL
RD
BL
RD
RD
GR
GR
BR1
BR2
5
3
2
1
4
NC
NO
GR
5
3
2
1
4
NC
NO
YL
BL
GY
YL
BK
OR
REPLACE JUMPER WITH
SMOKE/FIRE DETECTOR
SEE NOTE 5
SEE NOTE 2
BK
BK
BK
YL
YL
YL
460
OR APPROPRIATE
INPUT VOLTAGE
240
RD
SEE NOTE 6
RD
BK
BK
OR
OR
POWER SUPPLY
460-575/3/60
SEE NOTE 4
46O OR
APPROPRIATE
INPUT
VOLTAGE
GR
RD
RD


Related product manuals