EasyManua.ls Logo

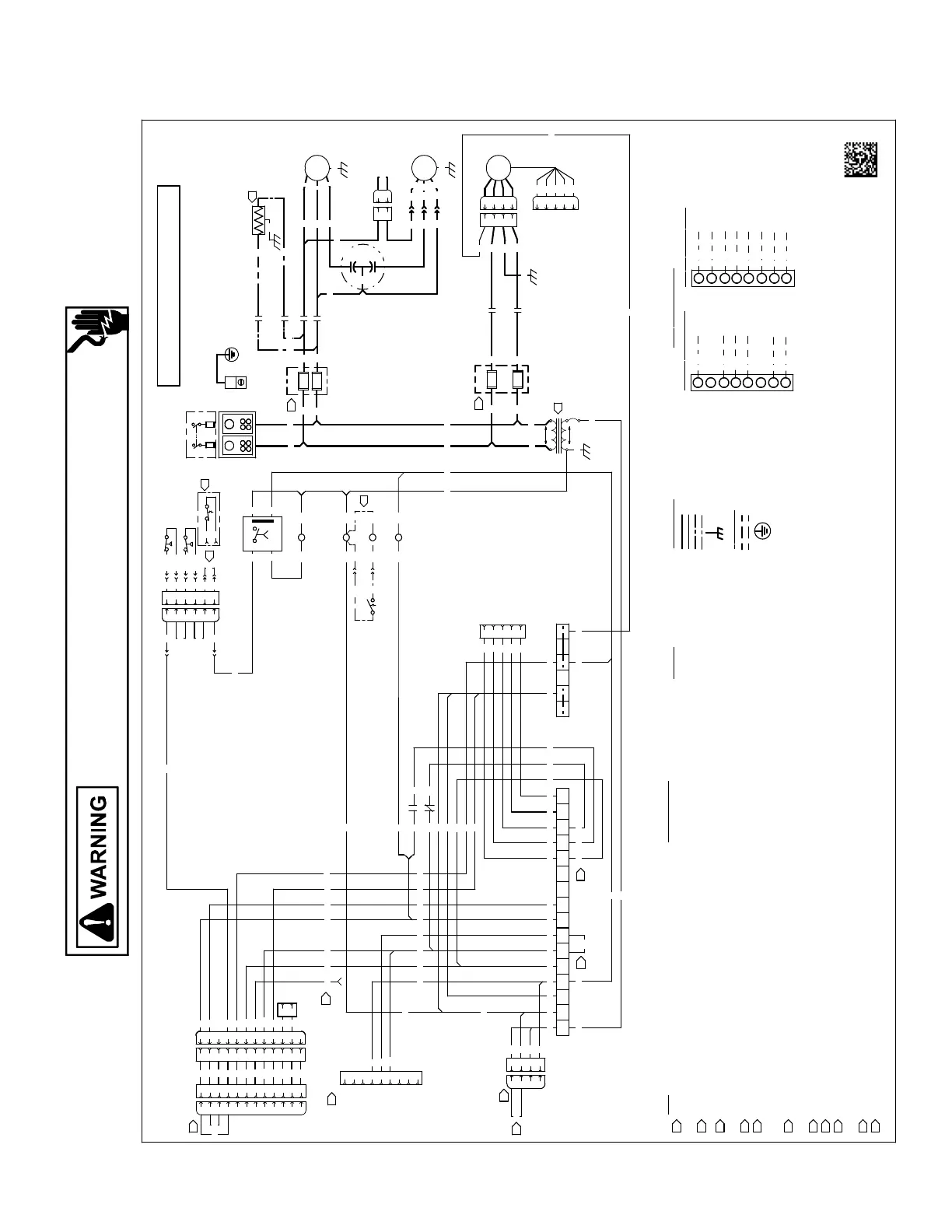
Daikin DFC0361D - Wiring Diagram

Daikin DFC0361D
72 pages
Print Icon
To Next Page IconTo Next Page
To Next Page IconTo Next Page
To Previous Page IconTo Previous Page
To Previous Page IconTo Previous Page
Loading...
59






1
2
3
5
1
2
3
5
LPS
BL
BK
BL


BK


CCP


BL/PK
BK

BL/PK


BR
BK

BK
BK
9
9

BK
RD
C
BK
BK
2


BC 
 
CAP CAPACITOR
CB CIRCUIT BREAKER
CC 
 
CCP 
 
 
 
 
ECON 
 
ES 
 
 
 
 
LPS 
 
PB 
 
 
 
TB 
TON 
TR 
TB1 STAT
R
C
O


PK

BL
OR

2
R


C
O
TB1 STAT
1
R

C
O


PK

BL
OR

2
R


C
O
 
 
5A
5B
1
2
3
1
2
3
TON

R1
1

R2
5
3
2
1
B

11
10
9
5
3
2
1
12
11
10
9
5
3
2
1
ECON
P
ECON
P
12
11
10
9
5
3
2
1
12
11
10
9
5
3
2
1
12
ECON
P

PU
PU

BL



PK

BR
OR
PU


P
2
1
BK
BK
10

RD
BL
RD
PK

10
PK BL

RD
RD

10
3
2
1
2
3
5A
5B
9
10

























L1 T1
L2 T2
BC



L1
CC
L2
T2
T1



CC
A1 A2
 BL
BC
A1 A2
PK BL


 - - - -
 -
 -

10
 BL
 
O

S2
R

C
S1
 T1 T2 T3  T5


BLACK
BLUE





PINK
PURPLE
RED
TAN



BK
BL
BL/PK
BR


OR
PK
PU
RD
TN








R


L

M

P
BA C D

 
ES
TB1
PKRD

BR
BL


BL

BR
BR 
RD
RD
PK
BL
BR 


BK
PB
L1
L2
LINE

BK
RD
BK
TR1
CB



BK
C
R
S
PU


PK

BR
PU  BR

L1
L3
BR
CAP
OR
RD

BR
BK
PU
L2

PU
PU
BK
BK



9
5
3
2
1
TB2
BLBL
BK
PU

D
BK
RD
BK
BL
BL
BL
BL
RD
PK
2
1
2
1


1~
1~



BL
BK


PU
PU

PU
 
BL


M++
1 STAE COOLIEATI
2 STAE COOLIEATI

PU
RD
BL
BL
PK
BL
PK
PK
BL
BL
PK BLBL
PK
BK RD
PK








BK

RD
BK
RD
BK
RD




1~
N
L
C
N
L
C
PU



BR


3
2
1
5
RD
BL
PK
BL
PK

BR

R
2




PK

Related product manuals