EasyManua.ls Logo

Daikin DFC0361D - Page 66

Daikin DFC0361D
72 pages
Print Icon
To Next Page IconTo Next Page
To Next Page IconTo Next Page
To Previous Page IconTo Previous Page
To Previous Page IconTo Previous Page
Loading...







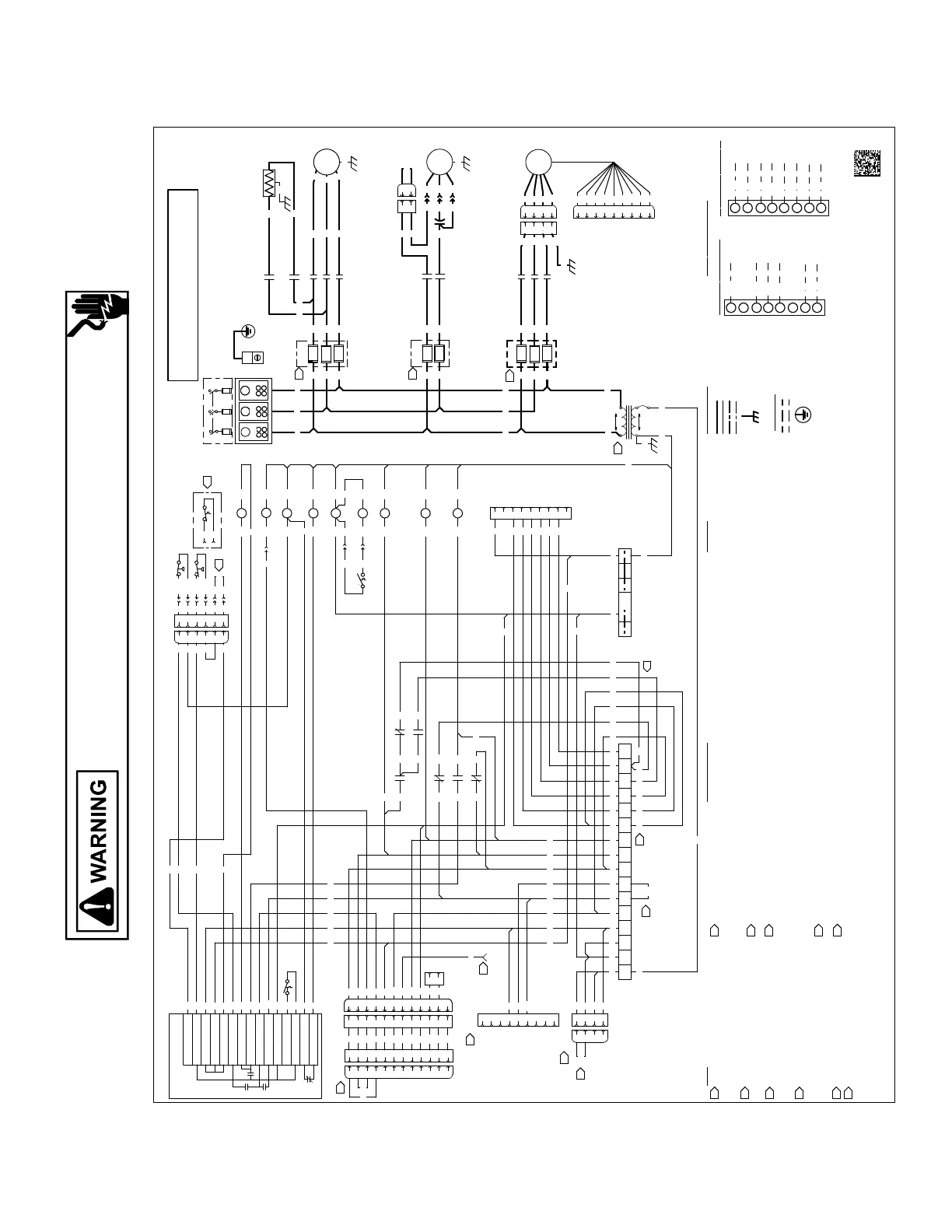
BC
BLOWER CONTACTOR
BM
BLOWER MOTOR
BR
BLOWER RELAY
CAP
CAPACITOR
CB
CIRCUIT BREAKER
CC
COMPRESSOR CONTACTOR
CCH
CRANKCASE HEATER
CCP
COMPRESSOR/COIL PROTECTION
CHR
CRANKASE HEATER RELAY
CHS
CRANKCASE HEATER SWITCH
CM
CONDENSER MOTOR
CMC
CONDENSER MOTOR CONTACTOR
COMP
COMPRESSOR
DFT
DEFROST TEMPERATURE SWITCH
DR
DEFROST RELAY
ECON
ECONOMIZER
EHK
ELECTRIC HEAT KIT
ES
EMERGENCY SHUTDOWN
FB
FUSE BLOCK
FPS
FREEZE PROTECTION SWITCH
GND
EQUIPMENT GROUND
HPS
HIGH PRESSURE SWITCH
MAT
MIXED AIR TEMP. SENSOR
LPS
LOW PRESSURE SWITCH
PB POWER DISTRIBUTION BLOCK
PLF
FEMALE PLUG/CONNECTOR
PLM
MALE PLUG/CONNECTOR
RVC REVERSING VALVE COIL
TB
TERMINAL BLOCK
TR TRANSFORMER
1
2
3
4
5
6B
7
8
9
7
6A
3
2
9
FPS
BK
BK
9
11
10
9
8
7
6
5
4
3
2
1
12
11
10
9
8
7
6
5
4
3
2
1
ECON
PLF EXT
ECON
PLM
12
11
10
9
8
7
6
5
4
3
2
1
12
11
10
9
8
7
6
5
4
3
2
1
12
ECON
PLM
YL
PU
PU
YL
BL
GR
GY
WH
PK
WH
BR
OR
PU
YL
MAT
PLF
2
1
BK
BK
CHS
RD
BL
RD
PK
CHR
1 0
PK BL
10
3
GR
2
4
6 8
BK
RD
CCH
BK
CHR
BK
CHR
GND
L1
CC
L2
T2
T1
L3 T3
L1
BC
L2
T2
T1
L3 T3
5
FB3
F3
F3
F3
5
FB1
F1
F1
F1
5
FB2
F2
F2
10
8
BR1
1 0
PU BL
BC
A1 A2
PK
BL
ALLOWABLE SPEED TAPS
T1 T2 T3 T4 T5
T1' T2' T3' T4' T5'
FAN ONLY (GR) X*
- - - - X - - - -
COOLING STG1 (YL)
- X* - - -
-
X
- - -
COOLING STG2 (PU)
- -
X* X X
- -
X X X
HEATING (BR) - - X X* X - - X X X
AUX. HEATING (WH) - - X X* X - - X X X
TB1- DH = 0 VAC, USE SPEED TAP T1 - T5.
TB1 - DH = 24 VAC, USE SPEED TAP T1' - T5'.
X* DENOTES DEFAULT FACTORY WIRING.
CC
A1 A2
YL
BL
CMC
A1 A2
YL BL
CS
V1 V2
YL
BL
RVC
V1 V2
BK
BL
DR
1 3
OR
BL
4
6B
6A
4
3
2
1
4
3
2
1
O-RV
R-PS1
R-DFT
PS2
R
O
C-RV
C
C
DFT
DF1
DF2
PCB
W
CNT
Y
9
8
7
6
5
4
3
2
1
BL
POWER AND CONTROLS WIRING DIAGRAM
DFH072, 3 PHASE, DIRECT DRIVE
6
5
4
3
2
1
6
5
4
3
2
1
DEFROST CONTROL
THER
MOSTAT
F
IELD WIRI
NG
++
1
S
T
AG
E
C
O
OLI
NG/HE
A
T
ING
2 S
TA
GE COOL
I
NG/HEA
T
ING
TB1 TSTAT
W1
G
R
Y1
C
O
WH
GR
PK
YL
BL
OR
W1
W2
G
R
Y1
Y2
C
O
W2
BR
Y2
PU
TB1 TSTAT
W
G
R
Y
C
O
WH
GR
PK
YL
BL
OR
W1
W2
G
R
Y1
Y2
C
O
THERMOSTAT++
REPLACEMENT WIRE MUST BE SAME SIZE AND TYPE
OF INSULATION AS ORIGINAL (AT LEAST 105° C). USE
COPPER CONDUCTORS ONLY. USE N.E.C. CLASS 2
WIRE FOR ALL LOW VOLTAGE FIELD CONNECTIONS.
IF OPTIONAL ECONOMIZER IS INSTALLED REMOVE
ECON PLM JUMPER AND PLUG IN NEW HARNESS
FROM ECONOMIZER KIT.
IF OPTIONAL ELECTRIC HEAT IS INSTALLED,
PLUG IN NEW HARNESS FROM ELECTRIC
HEATER KIT.
FOR TWO STAGE HEAT, REMOVE
JUMPER ON TB1.
TR1 PRIMARY (HIGH VOLTAGE) CONNECTIONS:
ORANGE WIRE CONNECTED TO 240/460/575V TAP AT
THE FACTORY AND BLACK WIRE TO COM TERMINAL.
FOR 208V SUPPLY POWER, MOVE ORANGE WIRE
FROM 240/460/575V TAP TO THE 208V TAP.
FUSE BLOCKS 1, 2, & 3 ARE OPTIONAL.
IF OPTIONAL SAFETY EQUIPMENT SUCH AS A PHASE
MONITOR, FLOAT SWITCH OR SMOKE DETECTOR IS
INSTALLED, UNPLUG JUMPER PLUG AND PLUG IN
SAFETY DEVICE. IF MULTIPLE SAFETIES ARE
INSTALLED, PLUG IN THE A
DDITIONAL DEVICES IN
SERIES. PLUG IN JUMPER PLUG AT THE LAST SAFETY
DEVICE INSTALLED.
IF A THIRD PARTY SAFETY DEVICE IS FIELD
INSTALLED, CUT THE RED WIRE ON THE
JUMPER PLUG AND WIRE A NORMALLY
CLOSED DRY CONTACT IN SERIES WITH
THE CUT WIRE.
24 VAC ALARM OUTPUT FROM OPTIONAL
ECONOMIZER CONTROL MODULE.
TO CHANGE EVAPORATOR MOTOR SPEED,
MOVE GREEN (FAN ONLY), YELLOW
(COOLING1), PURPLE (COOLING 2), BROWN
(HEATING) OR WHITE (AUX. HEATING)
WIRES TO APP
ROVED SPEED TAP. SEE
INSTALLATION INSTRUCTIONS FOR
FURTHER DETAILS ON ADJUSTING MOTOR.
REMOVE BLACK JUMPER WIRE IF OPTIONAL
FREEZESTAT IS INSTALLED.
MOVE GRAY (GY) WIRE TO TB1-S2 TO
ENABLE T1'-T5' SPEED TAP, SEE TABLE.
RD
BL
RD
GY
GR
YL
PU
WH
BR
BK
2
1
2
1
L1
L2
L3
9
8
7
6
5
4
3
2
1
4
3
2
1
4
3
2
1
BL
BK
RD
9
8
7
6
5
4
3
2
1
BK
BK
BR2
1 0
OR BL
TB1
ES
PLM
ES
PLF
RD
RD
PK
GR
RD
PK
YL
PU
BL
GR
OR
PK
BL
TB1
W2
Y1
O
Y2
S2
R W1
C
S1
G DH
T1
T2 T3 T4 T5
YL
WH
PU
PU
WH
BRYL
GR
TB2
B
A
C D
BL
WIRE CODE
BLACK
BLUE
BLUE WITH PINK STRIPE
BROWN
GREEN
GRAY
ORANGE
PINK
PURPLE
RED
TAN
WHITE
YELLOW
YELLOW WITH PINK STRIPE
BK
BL
BL/PK
BR
GR
GY
OR
PK
PU
RD
TN
WH
YL
YL/PK
HIGH VOLTAGE
LOW VOLTAGE
OPTIONAL HIGH VOLTAGE
OPTIONAL LOW VOLTAGE
CHASSIS GROUND
FIELD W
I
RING
FA
CTORY
WIR
I
NG
HIGH VOLTAGE
LOW VOLTAGE
EARTH GROUND
CO
MPONENT LEG
END
RD
RD
BL
GR YL
WH PU
BL
YL
BL
YL
EHK
PLF
YL
DFT
YL
PU
PU
BL
BRBR
WH
BR
WH
PK
GY
BK
RD
RD
BL
BL
BL
BR
WHBL
BR
PK
PK
RD
BR
HPS
LPS
CCP
PLF
CCP
PLM
BL
BL
YL
YL
BL/PK
YL/PK
YL/PK
BL/PK
PU
BK
BK
BK
BK
YL
PU
PU
PK
YL
0140L07476-A
OR
WH
BK
PK
GR
YL
PU
BL OR
DR
2
4
GY
BL
NOTES
GY
GY
GY
GR
WHYL
OR
CB
COMP
RD
BK
L3
L1
CAP
CM
PB
L1
L2
L3
LINE
VOLTAGE
PU
BR
BK
PU
BR
BK
RD
OR
BK
RD
OR
BK
RD
YL
L2
208-230/460/575V/3PH/60Hz
BK
PLF
PLM
CM
BK
BK
RD
OR
GR
GR
M
1~
M
3~
RD
BK
BK
RD
OR
BK
RD
OR
OR
BK
GR
GR
BM
PLF2
PLM2
BK
RD
OR
BM
PLM1
BK
RD
OR
M
3~
GR
BM
GR
CMC
L1
L2
T1
T2
BK
RD
BM
PLF1
PU
YL
GR
WH
BR
GY
BL
BL
GY GY
GY
YL
YL
BR1
7 8
PU
BR1
2
4
PU
WH
WH
PU
WH
7 8
PU
DR
PU
TR1
COM
YL OR
PU
PU
BR
PU
BL
BR
BR
7 8
BR2
2 4
BR2
PU
BR
PU
BL
YL