EasyManua.ls Logo

Daikin DX16 - DX13 SA WIRING DIAGRAMS

Daikin DX16
112 pages
Print Icon
To Next Page IconTo Next Page
To Next Page IconTo Next Page
To Previous Page IconTo Previous Page
To Previous Page IconTo Previous Page
Loading...
98
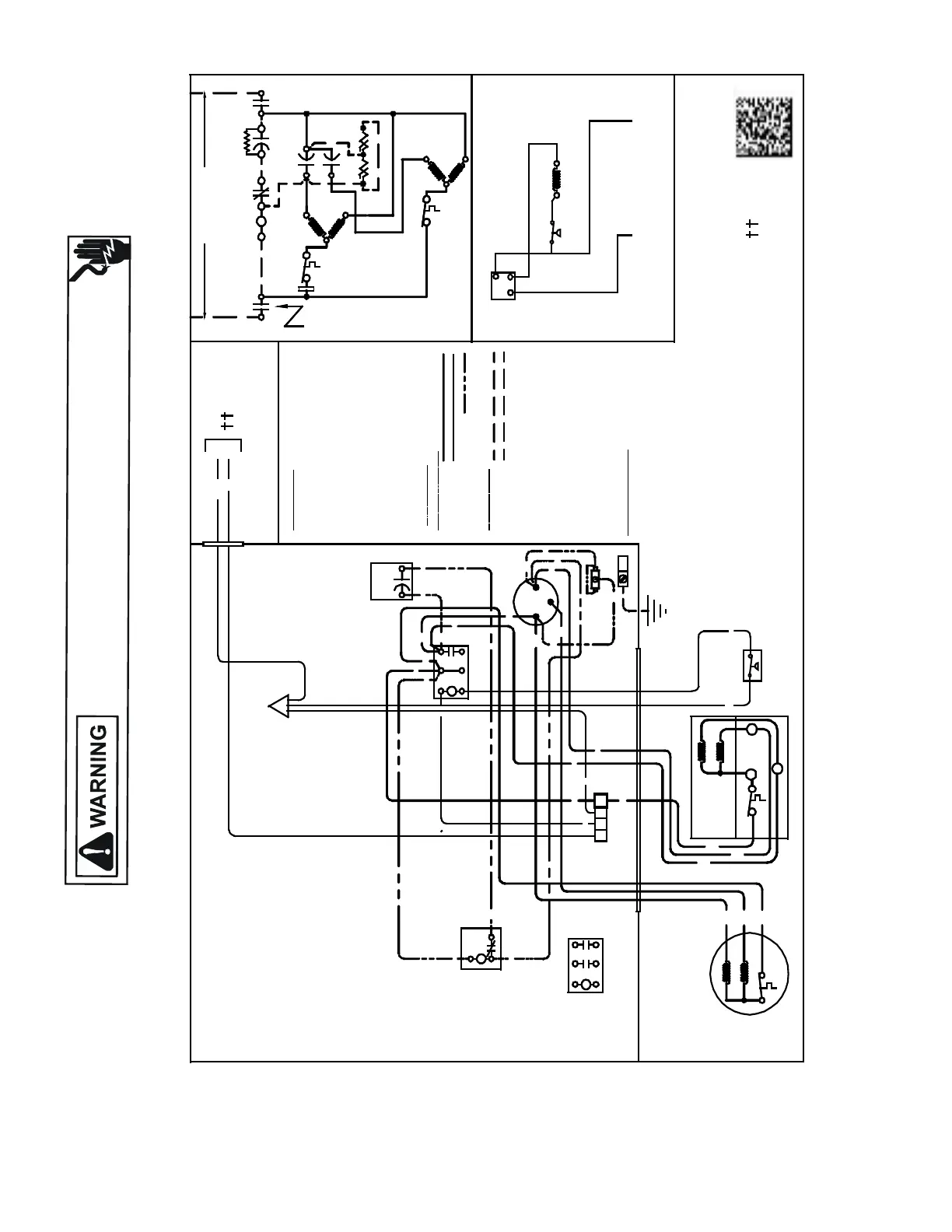
WIRING DIAGRAMS
HIGH VOLTAGE!
DISCONNECT ALL POWER BEFORE SERVICING OR INSTALLING THIS
UNIT. MULTIPLE POWER SOURCES MAY BE PRESENT. FAILURE TO
DO SO MAY CAUSE PROPERTY DAMAGE, PERSONAL INJURY OR DEATH.
Wiring is subject to change. Always refer to the wiring diagram on the unit for the most up-to-date wiring.
DX13SA0[18-61]1A*
COMP
ALTERNATE DOUBLE
POLE CONTACTOR ONLY
IO
T1
C
M
A
I
N
R
A
U
X
5
S
SR
CSM
SA
2
1
RCCF
SC
T2
C
L1
L2
(IF USED)
CH
C
C
S
M
F
M
A
I
N
A
U
X
IO
CM
C
Y
C
Y
BL
YL
C
Y
LV JB
NOTE 1
T1
L1
T2
L2
ALTERNATE DOUBLE
POLE CONTACTOR
OUTDOOR POWER SUPPLY
SEE RATING PLATE
WIRING CODE
FACTORY
W
IR ING
HIGH VOLTAGE
LOW VOLTAGE
OPTIONAL HIGH VOLTAGE
FI
ELD W IRING
HIGH VOLTAGE
LOW VOLTAGE
CP
BK
Y
C
BK
SC
RD
BL
RD
RD
RD
BKBK
BK
C
T1
L1
T2
L2
RCCF
F
C
HERM
YL
YL
YL
BR
RD
PU
YL
RD
YL
RD
BK
MAIN
COMP
IO
CM
AUX
MAIN
BK
BR
PU
SR
5
2
1
BK
YL
BL
EQUIPMENT GROUND
COLOR CODE
BK --------------- BLACK
BL --------------- BLUE
BR --------------- BROWN
OR --------------- ORANGE
PU --------------- PURPLE
RD --------------- RED
WH -------------- WHITE
YL --------------- YELLOW
RD
SA
(IF USED )
NOTE 2
NOTE 3
C
IO
IO
R
S
AUX
USE N.E.C.
CLASS 2 WIRE
NOTES:
1) TO IN DO OR UNIT LOW VOLTAGE
TERMINAL BLOCK & INDOOR
THER MOSTAT.
2) START ASSIST FACTORY
EQUIPPED WHEN REQUIRED.
3) USE COPPER CONDUCTORS
ON LY.
COMP
ALTERNATE DOUBLE
POLE CONTACTOR ONLY
IO
T1
C
M
A
I
N
R
A
U
X
5
S
SR
SA
2
1
RCCF
SC
T2
C
L1
L2
(IF USED)
CH
C
F
M
A
I
N
A
U
X
IO
CM
C
Y
C
C
BL
YL
C
Y
LV JB
NOTE 1
COMPONENT CODE
C --------------- CONTACTOR
CSM -------- CORESENSE MODULE
CM ------------ OUTDOOR FAN MOTOR
COMP -------- COMPRESSOR
IO -------------- INTERNAL OVERLOAD
LVJB ---------- LOW VOLTAGE JUNCTION BOX
RCCF --------- RUN CAPACITOR FOR COMPRESSOR & FAN
SA ------------- START ASSIST
SC ------------- START CAPACITOR FOR COMPRESSOR (OPTIONAL)
SR ------------- START RELAY FOR COMPRESSOR (OPT IONAL)
LPS ------------ LOW PRESSURE SWITCH
CONTROLS SHOWN WITH THERMOSTAT IN 'OFF' POSITION.
T1
L1
T2
L2
ALTERNATE DOUBLE
POLE CONTACTOR
WIRING CODE
FACTORY
W
IR ING
HIGH VOLTAGE
LOW VOLTAGE
OPTIONAL HIGH VOLTAGE
FI
ELD W IRING
HIGH VOLTAGE
LOW VOLTAGE
C
BK
RD
C
CSM
PU
BK
YL/PK
LVJB
CONTROL BOX
SC
RD BL
RD
PU
RD
RD
BK
BK
BK
C
T1
L1
T2
L2
RCCF
F
C
HERM
YL
YL
YL
BR
RD
PU
YL
RD
YL
RD
BK
MAIN
COMP
IO
AUX
MAIN
BK
BR
PU
SR
5
2
1
BK
YL
BL
COLOR CODE
BK --------------- BLACK
BL --------------- BLUE
BR --------------- BROWN
OR --------------- ORANGE
PU --------------- PURPLE
RD --------------- RED
WH -------------- WHITE
YL --------------- YELLOW
YL/PK ---------- YELLOW/PINK STRIPE
RD
SA
(IF USED )
NOTE 2
NOTE 3
C
IO
IO
R
S
AUX
USE N.E.C.
CLASS 2 WIRE
0140R00274-A
LPS
YL/PK
LPS
YL
P
NOTE 1
YL

Table of Contents

Related product manuals