EasyManua.ls Logo

Daikin DX16 - Page 99

Daikin DX16
112 pages
Print Icon
To Next Page IconTo Next Page
To Next Page IconTo Next Page
To Previous Page IconTo Previous Page
To Previous Page IconTo Previous Page
Loading...
99
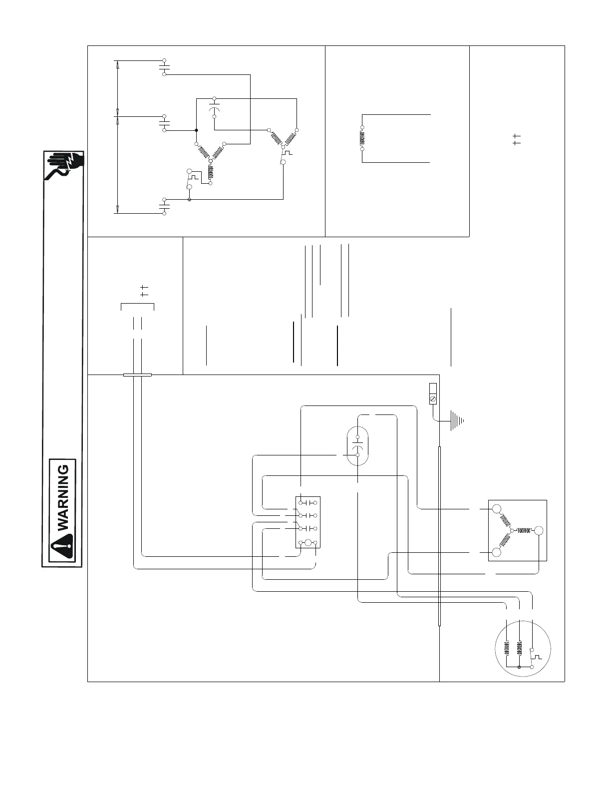
WIRING DIAGRAMS
HIGH VOLTAGE!
DISCONNECT ALL POWER BEFORE SERVICING OR INSTALLING THIS
UNIT. MULTIPLE POWER SOURCES MAY BE PRESENT. FAILURE TO
DO SO MAY CAUSE PROPERTY DAMAGE, PERSONAL INJURY OR DEATH.
Wiring is subject to change. Always refer to the wiring diagram on the unit for the most up-to-date wiring.
DX13SA0[36-60][3,4]A*
USE N.E.C. CLASS 2 WIRE
NOTES:
1) TO INDOOR UNIT LOW VOLTAGE
TERMINAL BLOCK & INDOOR
THERMOSTAT.
COMP
IO
T1
C
T3
T2
FC
T3
C
L1
L3
C
M
A
I
N
A
U
X
C
C
0
1
40R00160 REV. B
BL
Y
C
LVJB
COLOR CODE
BK --------------- BLACK
BL --------------- BLUE
BR --------------- BROWN
OR --------------- ORANGE
PU --------------- PURPLE
RD --------------- RED
WH -------------- WHITE
YL --------------- YELLOW
COMPONENT CODE
C --------------- CONTACTOR
CM ------------ OUTDOOR FAN MOTOR
COMP -------- COMPRESSOR
FC ------------- FAN CAPACITOR
IO -------------- INTERNAL OVERLOAD
LVJB ---------- LOW VOLTAGE JUNCTION BOX
CONTROLS SHOWN WITH THERMOSTAT IN 'OFF' POSITION.
WIRING CODE
FACTORY WIRING
HIGH VOLTAGE
LOW VOLTAGE
OPTIONAL HIGH VOLTAGE
FIELD WIRING
HIGH VOLTAGE
LOW VOLTAGE
IO
CM
Y
YL
BK
T3
COMP
T1
L2
C
T2
OUTDOOR POWER SUPPLY
SEE RATING PLATE
T1
T2
RD
YL
RD
BL
BK
BK
C
T1
L1
T2
L2
T3
L3
YL
YL
RD
FC
PU
BR
RD
LVJB
CONTROL BOX
NOTE 1
PU
BR
BK
MAIN
AUX
CM
IO
EQUIPMENT GROUND
USE COPPER
CONDUCTORS ONLY

Table of Contents

Related product manuals