EasyManua.ls Logo

Daikin EBLA14DA3V3 - Page 325

Daikin EBLA14DA3V3
360 pages
Print Icon
To Next Page IconTo Next Page
To Next Page IconTo Next Page
To Previous Page IconTo Previous Page
To Previous Page IconTo Previous Page
Loading...
6 | Technical data
Service manual
325
EBLA09~16DA + EDLA09~16DA
Daikin Altherma 3 M
ESIE20-06A – 2021.03
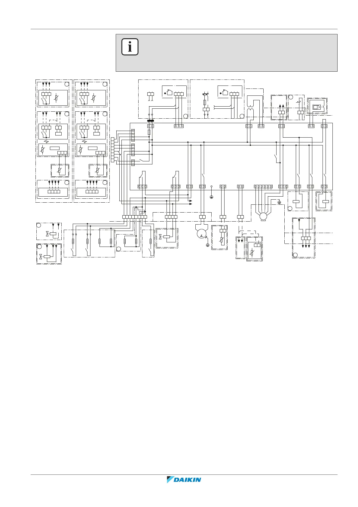
INFORMATION
The diagrams shown in this manual may be incorrect due to changes/updates to the
unit. Correct diagrams are supplied with the unit and can also be found in the
technical data book.
4D124072C
8
NO valve
DHW pump
Only for normal power supply (standard)
Hydro SWB power supplied from compressor SWB
DHW pump output
Max. load:
2 A (inrush) - 230 V AC
1 A (continuous)
SWB1
3 wire type (SPDT)
NL
1N~, 50 Hz
230 V AC 6,3 A
Normal kWh rate
power supply
8
Only for preferential kWh rate power supply (outdoor)
Use normal kWh rate power supply for hydro SWB
ext. ambient
sensor option
(indoor or
outdoor)
SWB2
SWB2
For external
BUH option
SWB1
SWB2
SWB2
SWB1
Remote
user interface
For internal
BUH model
For internal
BUH model
MMI
9
For cooling mode
For domestic
hot water option
Only for EWA/Y*DA*-H-
9
10
10
only for wired On/OFF thermostat
only for wireless
On/OFF thermostat
only for ext.
sensor
(floor or
ambient)
only for wired On/OFF thermostat
only for wireless
On/OFF thermostat
%H20 %H20
R1HR1H
6
6
7
7
only for ext.
sensor
(floor or
ambient)
SWB3
For external
BUH option
Only for EB/DLA*DA*
and EWA/Y*DA*-H-
Only for EB/DLA*DA*
and EWA/Y*DA*-H-
only for heat pump convector
Main LWT zone
only for heat pump convector
Add LWT zone
6 7
Z1C N=2
Only for *DAV3/DAW1
5
5
SWB2
6
5
4
32
1
X25A
X16A
5
1
3
X17A
1
3
5
7
1
X24A
3
5
7
1
3
X1A
2
X11YA
X11Y
1
FU1
3
1
X3A
X20A
1
3
X2A
5
1
X21A
1
3
M2P
M
1~
X15A
1
3
X14A
1
3
K4R
KPR
3
X11A
1
X12A
3
1
3
X13A
1
K1R
K2R
K3R
K6R
3
5
M2S
1
X28A
2
NC
NO
N
M3S
X2M
14a14 13 12
X2M
6 5
35
X2M
34
35a
34a
31
30
4
3
1
X26A
2
TR1
1
X11YB
2
Q2DI
2
X11YA
1
X2M
6 5
A1
A2
K3M
A1P
1
X22A
2
21
7
X5M
8
1
X18A
2
X2M
2 1
1
2
X11YB
X11Y
4
X3M
3 5
X3M
1 2
M1P
GND
PWM
FB
L
N
PE
MS
3~
11
X5M
12
A14P
P1 P2
1
2
Q1L
OUTDOOR
A1
A2
K1M
Compressor switch box Compressor switch box
OUTDOOR
2 3
X1M
1 2 3
X1M
1
S1L
X7M
5 6
E10HE9H
S1T
1
X13Y
2
1
X14Y
2
X7M
1 2 3 4 5 6 7 8
E12HE11H E7H E8H E6H
H C
COM
H C
COM
C
COM
H
L LN
PC PC
A2P
A2P
A15P A15P
A2P A2P
N
1
X1M
2 31
X1M
2 3
COM
CH
-t°
R1T
-t°
R1T
-t°
R2T
-t°
R2T
-t°
R1T
-t°
R1T
-t°
R1T
-t°
R6T
A3P
A3P
L
Y
N
M4S
S2T
S3T
X19A
1
53 2
X45A
1
3
X31A
1
KCR KVR
X15M.8
X15M.9
X15M.10
X15M.6
X15M.7
A1P/X11A.1
X2M.3
X2M.4
A11P/X1B.4
A11P/X1B.3
X2M.8
X2M.9
X2M.35
X2M.34
X2M.30
X2M.35a
X2M.34a
X2M.30
X2M.35
X2M.34
X2M.30
X2M.35a
X2M.34a
X2M.30
X2M.31
X2M.31
X2M.30
X2M.35
X2M.3
X2M.4
X2M.30
X2M.35a
X2M.3
X2M.4
X2M.4
X2M.3
X2M.14a

Table of Contents