EasyManua.ls Logo

Daikin EHBH08EA6V - Piping Diagram: Indoor Unit

Daikin EHBH08EA6V
44 pages
Print Icon
To Next Page IconTo Next Page
To Next Page IconTo Next Page
To Previous Page IconTo Previous Page
To Previous Page IconTo Previous Page
Loading...
10 Technical data
Installation manual
35
EHBH/X04+08EA/EJ6V+9W
Daikin Altherma 3 R W
4P629081-1A – 2020.08
10 Technical data
A subset of the latest technical data is available on the regional Daikin website (publicly accessible). The full set of latest technical data is
available on the Daikin Business Portal (authentication required).
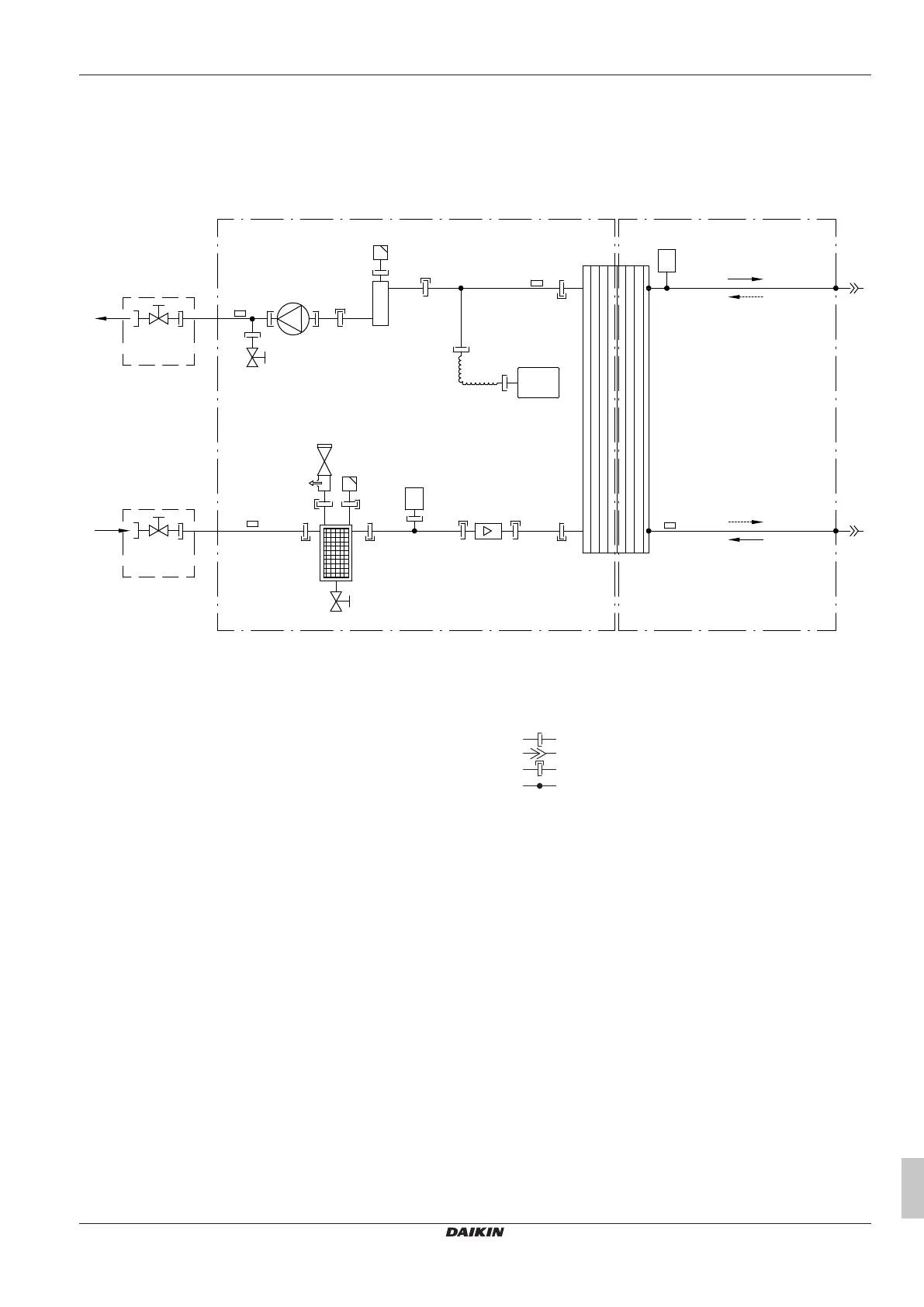
10.1 Piping diagram: Indoor unit
3D111541A
R2T
R4T
B1PW
B2PR
R1T
R3T
A
C
e
e
C
f
i
g
m
a2
a1
h
l
k
d
h
j
c1
b2
c2
b1
B
i
A Water side B1PW Space heating water pressure sensor
B Refrigerant side B2PR Refrigerant pressure sensor
C Field installed R1T Thermistor (heat exchanger – water OUT)
a1 Space heating water IN R2T Thermistor (backup heater – water OUT)
a2 Space heating water OUT R3T Thermistor (liquid refrigerant)
b1 Gas refrigerant IN (heating mode; condenser) R4T Thermistor (heat exchanger – water IN)
b2 Liquid refrigerant OUT (heating mode; condenser) Screw connection
c1 Liquid refrigerant IN (cooling mode; evaporator) Flare connection
c2 Gas refrigerant OUT (cooling mode; evaporator) Quick coupling
d Plate heat exchanger Brazed connection
e Shut-off valve for service
f Magnetic filter/dirt separator
g Safety valve
h Air purge
i Drain valve
j Flow sensor
k Expansion vessel
l Backup heater
m Pump

Table of Contents

Related product manuals