EasyManua.ls Logo

Daikin ERGA06EAV3A - Piping diagram: Indoor unit

Daikin ERGA06EAV3A
300 pages
Print Icon
To Next Page IconTo Next Page
To Next Page IconTo Next Page
To Previous Page IconTo Previous Page
To Previous Page IconTo Previous Page
Loading...
16 | Technical data
Installer reference guide
271
ERGA04~08EA + EHVH04+08SU18+23EA
Daikin Altherma 3 R F
4P629090-1A – 2021.11
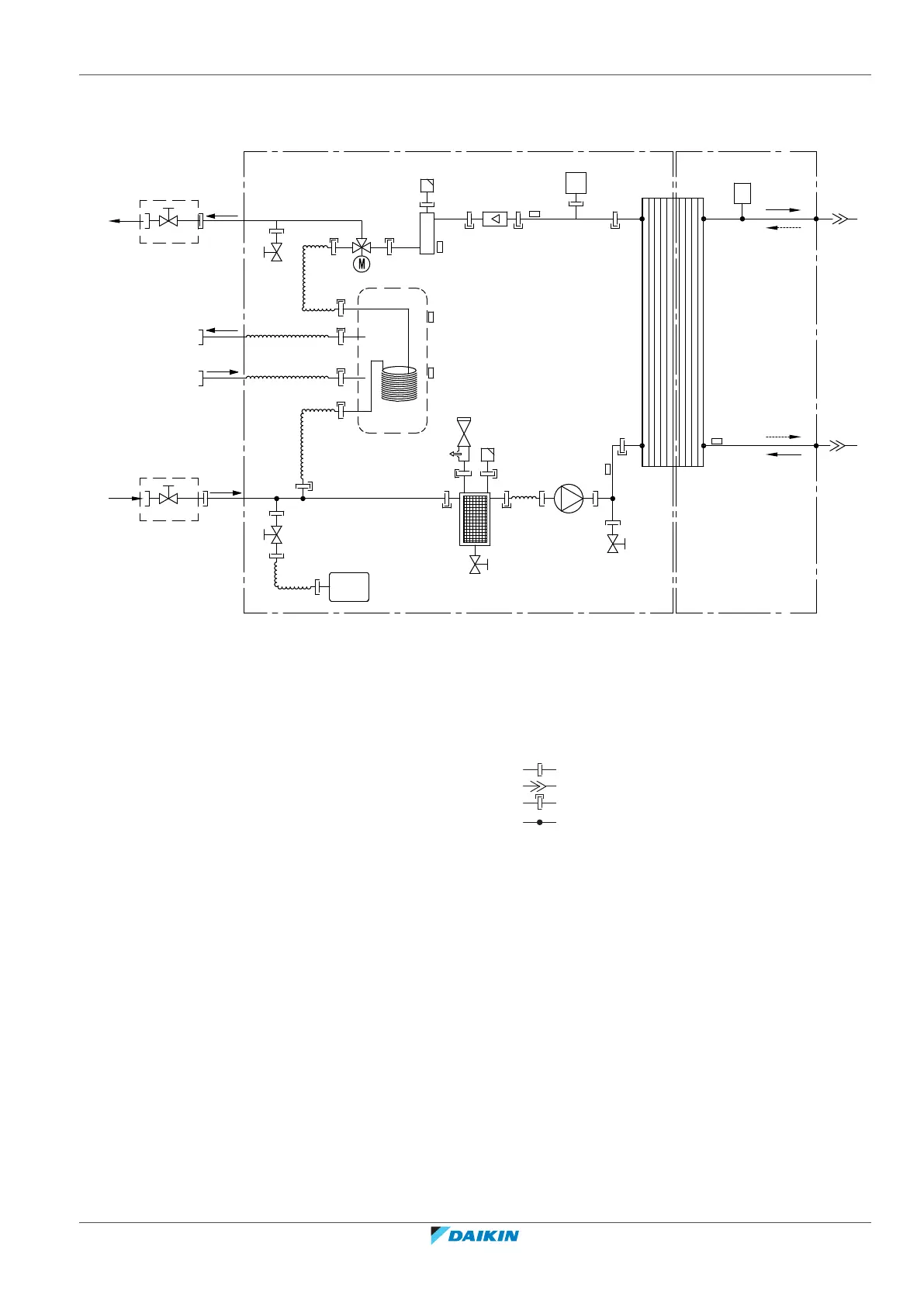
16.2 Piping diagram: Indoor unit
3D111411
B1PW
M3S
B2PR
R3T
R8T
R2T
R1T
R5T
R4T
A
C
C
l
a2
a1
b2
b1
f
g
e
h
k
k
i
j
m
n
j
d1
c2
d2
c1
B
k
f
f
A Water side B1PW Space heating water pressure sensor
B Refrigerant side B2PR Refrigerant pressure sensor
C Field installed M3S 3-way valve (space heating/domestic hot water)
a1 Space heating water IN R1T Thermistor (heat exchanger – water OUT)
a2 Space heating water OUT R2T Thermistor (backup heater – water OUT)
b1 Domestic hot water: cold water IN R3T Thermistor (liquid refrigerant)
b2 Domestic hot water: hot water OUT R4T Thermistor (heat exchanger – water IN)
c1 Gas refrigerant IN (heating mode; condenser) R5T, R8T Thermistor (tank)
c2 Liquid refrigerant OUT (heating mode; condenser) Screw connection
d1 Liquid refrigerant IN (cooling mode; evaporator) Flare connection
d2 Gas refrigerant OUT (cooling mode; evaporator) Quick coupling
e Plate heat exchanger Brazed connection
f Shut-off valve for service (if equipped)
g Expansion vessel
h Magnetic filter/dirt separator
i Safety valve
j Air purge
k Drain valve
l Pump
m Flow sensor
n Backup heater

Table of Contents

Related product manuals