EasyManua.ls Logo

Daikin WGZ030DW - Page 42

Daikin WGZ030DW
112 pages
Print Icon
To Next Page IconTo Next Page
To Next Page IconTo Next Page
To Previous Page IconTo Previous Page
To Previous Page IconTo Previous Page
Loading...
IOM 1322 • WATER-COOLED SCROLL COMPRESSOR 42 www.DaikinApplied.com
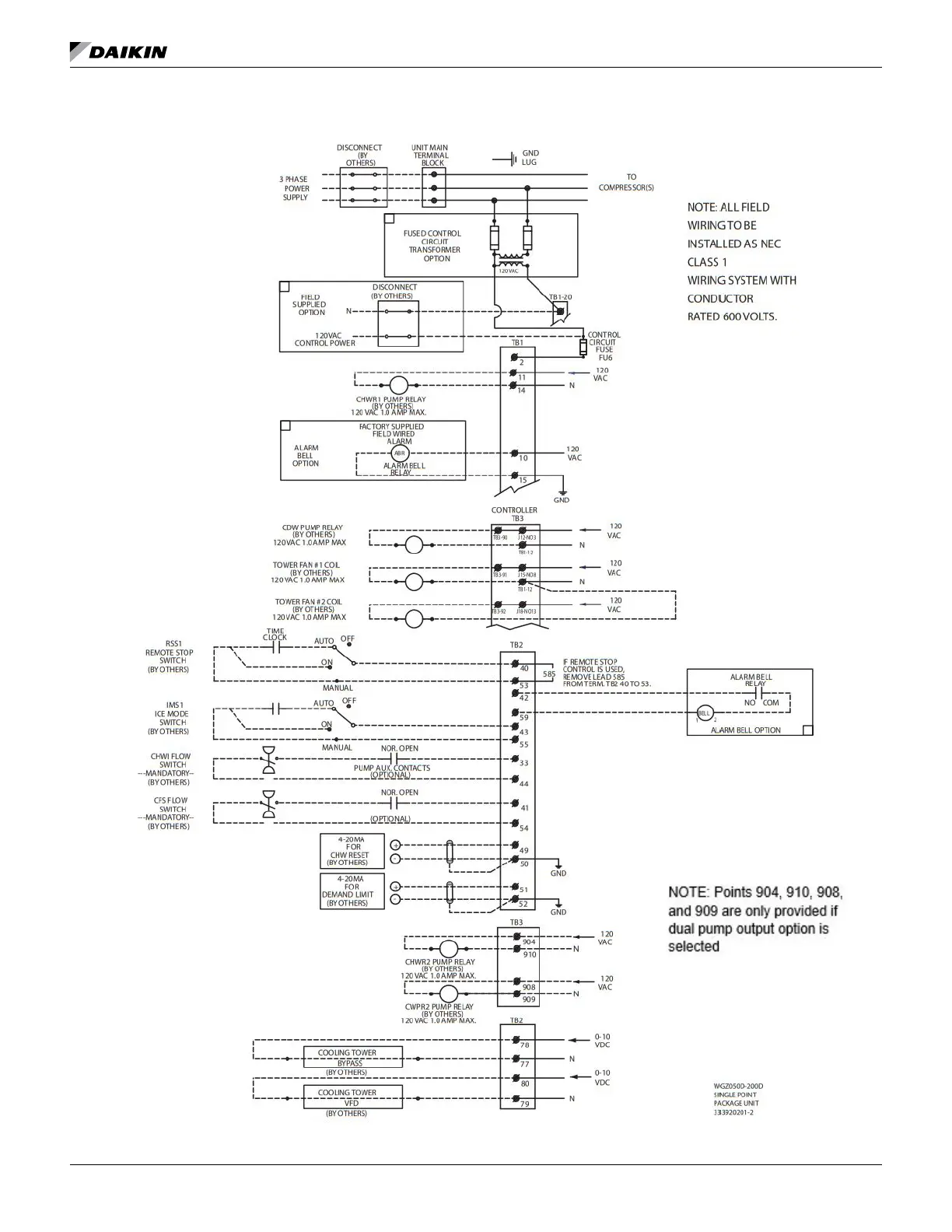
Figure 29: 


Other manuals for Daikin WGZ030DW

Related product manuals