EasyManua.ls Logo

Daikin WSC113 - Page 32

Daikin WSC113
58 pages
Print Icon
To Next Page IconTo Next Page
To Next Page IconTo Next Page
To Previous Page IconTo Previous Page
To Previous Page IconTo Previous Page
Loading...
32 Centrifugal Chillers IM 1044-2
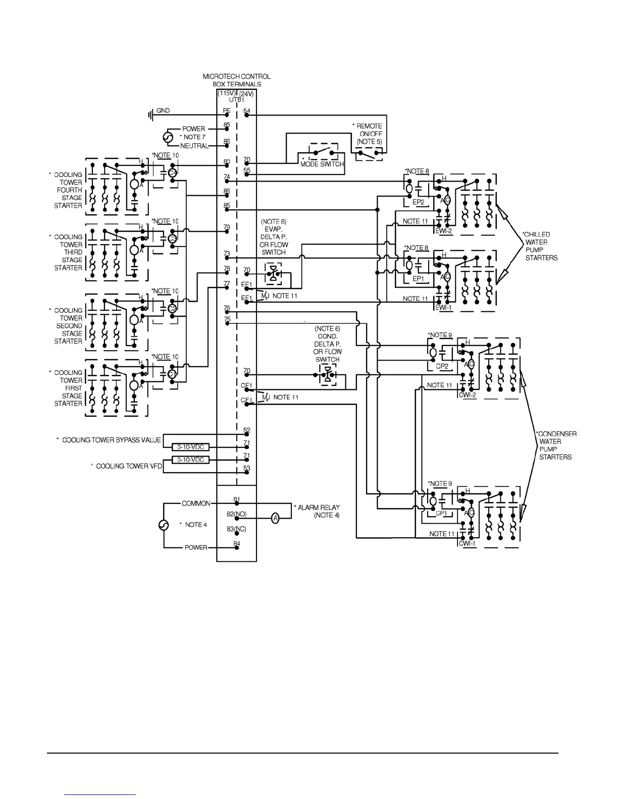
Figure 19, Field Control Wiring Diagram

Related product manuals