EasyManua.ls Logo

Dalla Corte DC PRO XT - Page 123

Dalla Corte DC PRO XT
Print Icon
To Next Page IconTo Next Page
To Next Page IconTo Next Page
To Previous Page IconTo Previous Page
To Previous Page IconTo Previous Page
Loading...
| 123
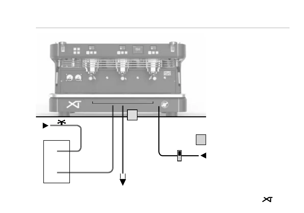
Übersicht der anschlüsse
1
2
5
4 6
7
B
A
3
1 Wasserzulaufhahn
2
Schläuche
für Wasseranschluss
3
Wasserenthärter
(optional)
4 Abflussrohr
5 Abflusssiphon
6 Stromkabel
7 Stromschalter
A
Öffnung in der
Ablagefläche
B
Unterer Hohlraum
Abb.1

Table of Contents

Related product manuals