EasyManua.ls Logo

Dalla Corte DC PRO XT - Page 179

Dalla Corte DC PRO XT
Print Icon
To Next Page IconTo Next Page
To Next Page IconTo Next Page
To Previous Page IconTo Previous Page
To Previous Page IconTo Previous Page
Loading...
| 179
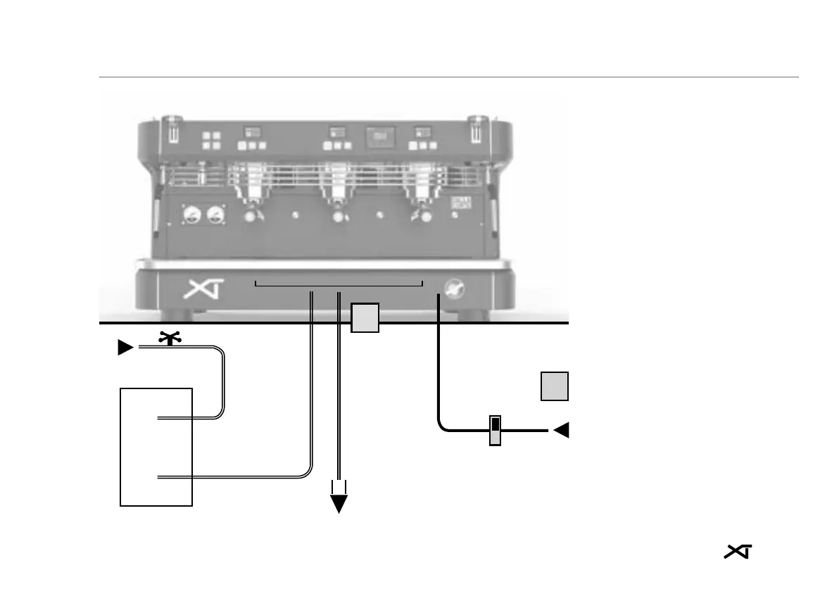
Connexiones
1
2
5
4 6
7
B
A
3
1
Grifo de alimentación
de agua
2 Tubos flexibles para
conexión de agua
3 Descalcificador
de agua opcional
4 Tubo de descarga
5 Sifón de descarga
6 Cable de alimentación
eléctrica
7 Interruptor
de alimentación
eléctrica
A
Orificio en la superficie
de apoyo
B
Parte inferior
Fig.1

Table of Contents

Related product manuals