EasyManua.ls Logo

DANFI AUDIO TE-012 - Location of Controls

DANFI AUDIO TE-012
12 pages
Print Icon
To Next Page IconTo Next Page
To Next Page IconTo Next Page
To Previous Page IconTo Previous Page
To Previous Page IconTo Previous Page
Loading...
3
Should the record become dirty, gently wipe the surface in a circular motion, using a soft anti-static
cloth.
Keep your records away from dust. Keep them in a cool, dry place.
To avoid dust and scratches, keep records in their sleeves and jackets when not in use.
Store records upright on their edges. Records stored horizontally will eventually bend and warp.
Do not expose records to direct sunlight or high humidity and temperature. Long exposure to high
temperatures will warp therecord.
Do not store your records in the trunk of your car. The temperature in a closed trunk can ruin your
collection.
Store records in an area with a stable temperature and low humidity.
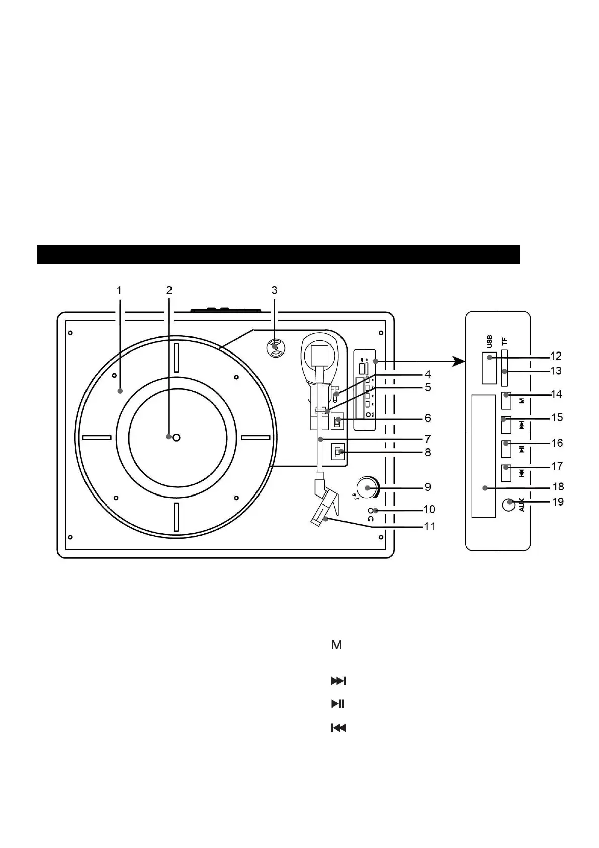
LOCATION OFCONTROLS
1.
Turntable Platter
2.
Turntable spindle
3.
45 RPM adaptor
4.
Tone arm lift lever
5.
Tone arm holder
6.
Auto stop ON/OFF switch
7.
Tone arm
8.
Speed selection switch
9.
Power ON-OFF/Volumebutton
10.
Headphone jack
11.
Stylus
12.
USB connector
13.
TF connector
14.
Button- Play modes select key/Record
button
15.
Next music track or FM program mode
16.
Pause and Play switch and DELbutton
17.
Previous music track or FM programmode
18.
LED Display
19.
Aux in jack