EasyManua.ls Logo

Danfoss ECL Comfort 310 - Page 22

Danfoss ECL Comfort 310
32 pages
To Next Page IconTo Next Page
To Next Page IconTo Next Page
To Previous Page IconTo Previous Page
To Previous Page IconTo Previous Page
Loading...
22
P330.13
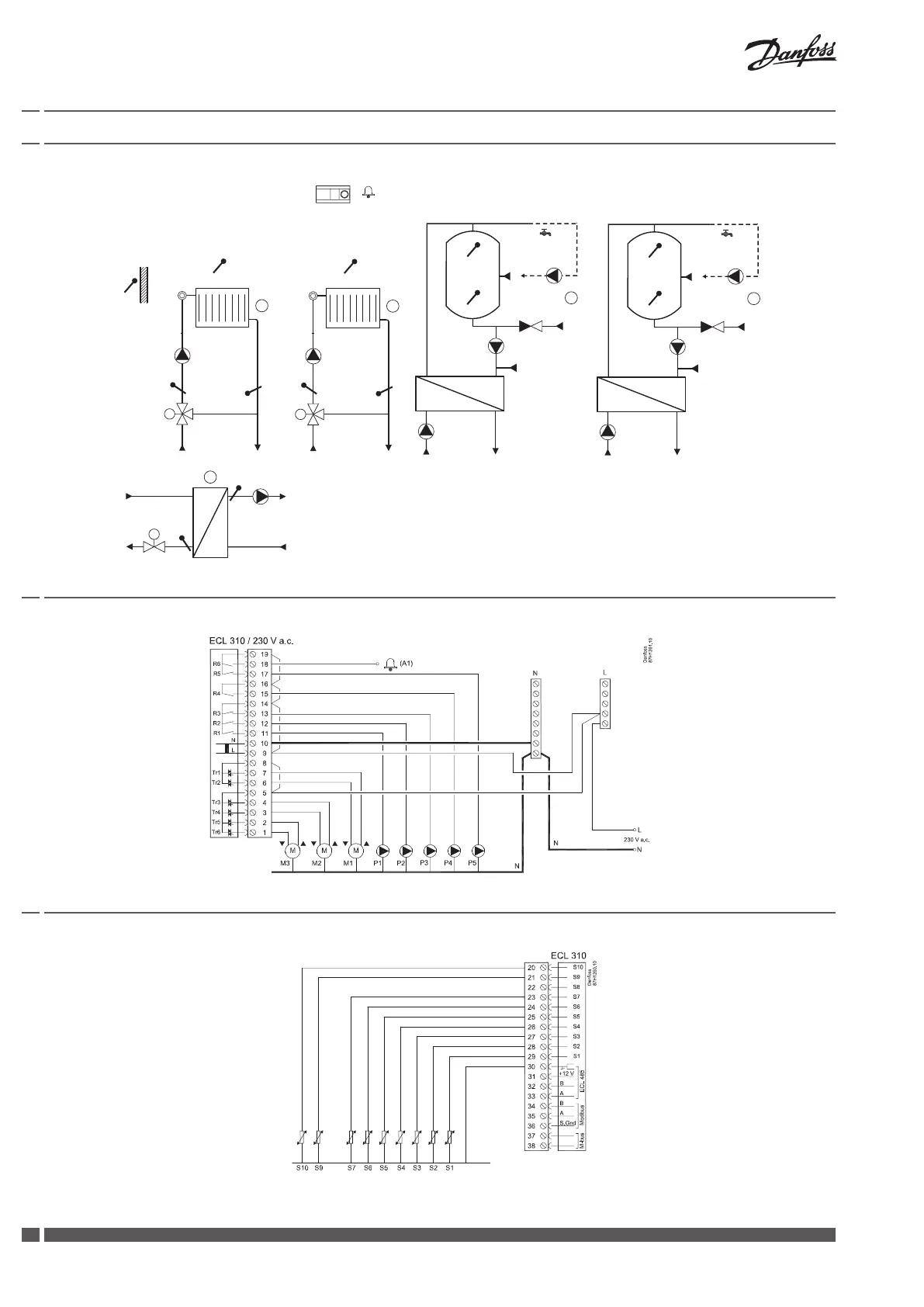
ECL 310
A1
+ECA 32
S13
1
M2
P2
S4
S6
S1
Danfoss
87H1222.10
S12
S14
2
M3
P3
S9
S7
P5
P8
M
S3
P1
S5
M1
P7
S2
S10
A
3
B
P4
P10
P9
S11
A
4
B
Mounting Guide ECL Comfort 310, P330
DEN-SMT/DK VI.GU.P2.00 Danfoss District Energy

Other manuals for Danfoss ECL Comfort 310

Related product manuals