EasyManua.ls Logo

Danfoss ECL Comfort 310

Danfoss ECL Comfort 310
209 pages
To Next Page IconTo Next Page
To Next Page IconTo Next Page
To Previous Page IconTo Previous Page
To Previous Page IconTo Previous Page
Loading...
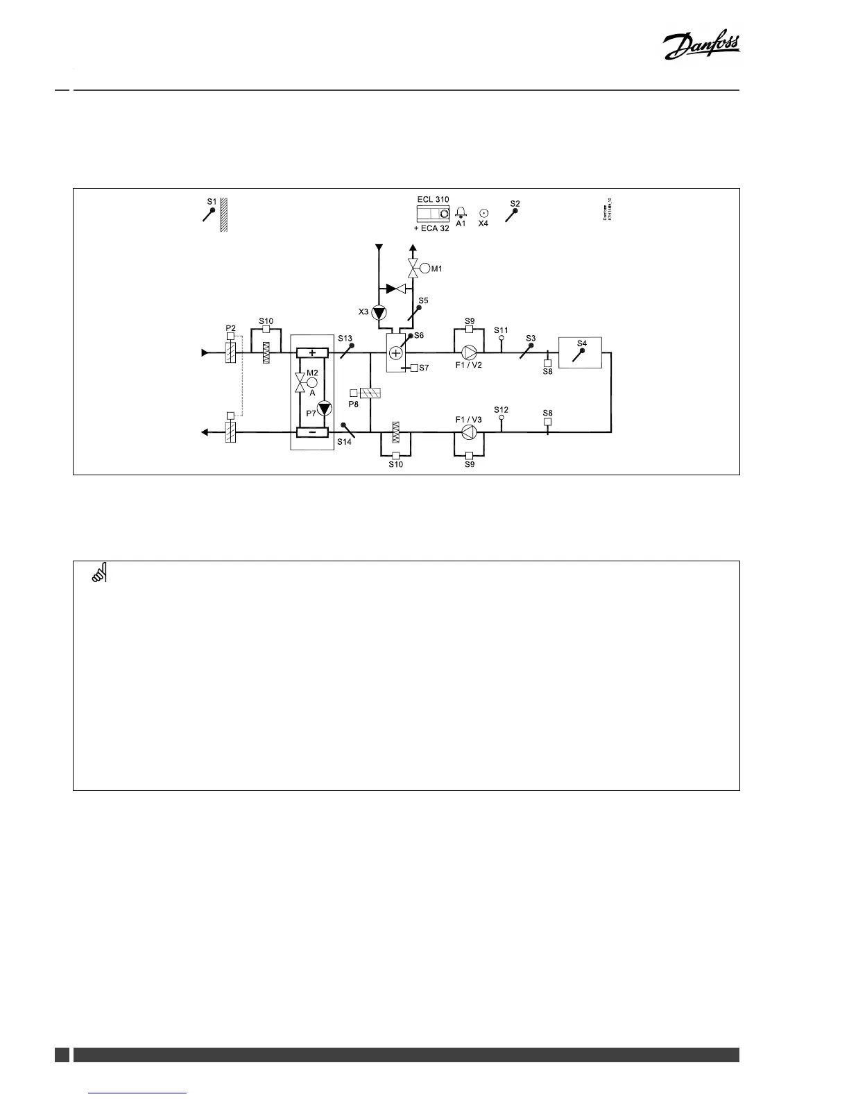
InstallationGuideECLComfort210/310,applicationA214/A314
A314.4examplee



Sensoradvice:


Navigation:
IDno.:
Recommended
setting:
Specialsettingsforsensors/thermostatsusedasfrostprotection:











Specialsettingsforthermostatsusedasrealarm:








Other manuals for Danfoss ECL Comfort 310

Related product manuals