EasyManua.ls Logo

Danfoss PAHT - Paht 10-12.5

Danfoss PAHT
88 pages
Print Icon
To Next Page IconTo Next Page
To Next Page IconTo Next Page
To Previous Page IconTo Previous Page
To Previous Page IconTo Previous Page
Loading...
180R9288_AQ109686503100en-001301 | 37© Danfoss | 2023.12
Operation guide Installation, Operation and Maintenance Manual for PAHT 20-90 pumps
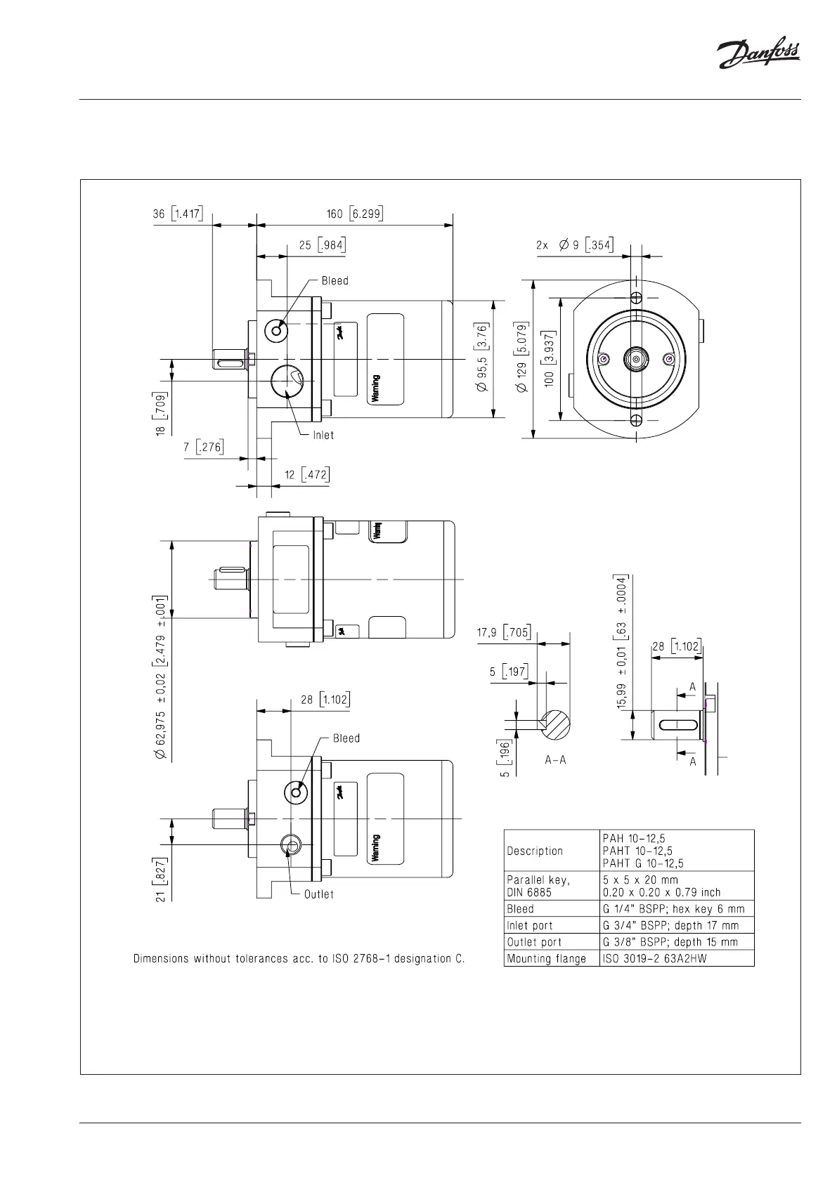
8.2 PAHT 10-12.5

Table of Contents

Related product manuals