EasyManua.ls Logo

Danfoss VLT 2000 Series - Load and motor (group 1)

Danfoss VLT 2000 Series
110 pages
Print Icon
To Next Page IconTo Next Page
To Next Page IconTo Next Page
To Previous Page IconTo Previous Page
To Previous Page IconTo Previous Page
Loading...
MG.20.B6.02 – VLT is a registered Danfoss trademark
VLT
®
2000 Series
52
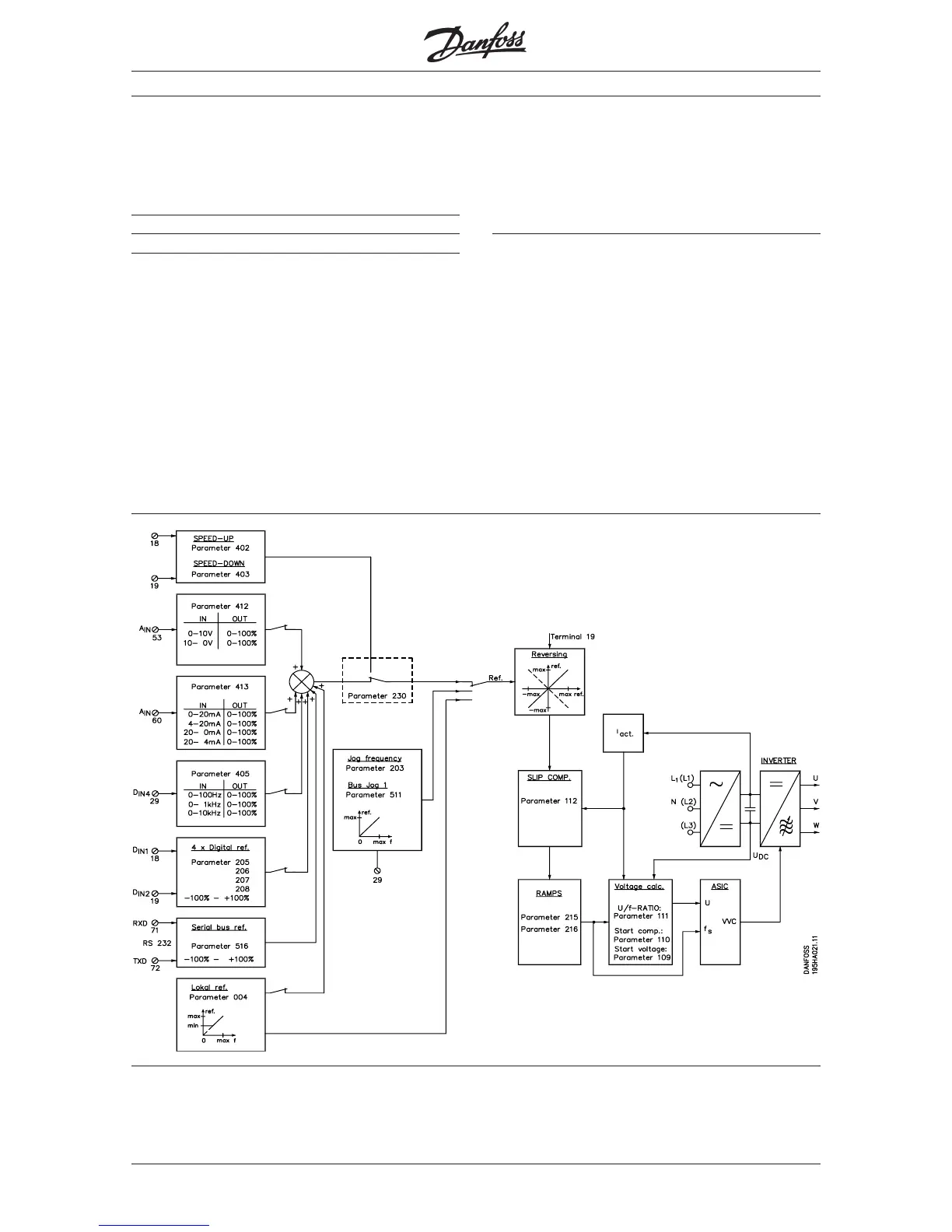
The control possibilities of the VLT
The settings of parameters 101-112 will be suitable
for normal applications using standard induction mo-
tors at constant torque load without parallel-coupled
motors.
Open loop:
If parallel-coupled motors are used on a VLT
frequency converter output terminal, or any
synchronous type of motor is used, select the open
loop mode.
Further adjustments may improve the effective torque
or give a more accurate speed, if the motor data
deviates from the typical standard values.
Manual tuning is possible in parameters 107-112 for
adjustment of values.
Operation and display (group 0..)
In this group you will find parameters concerning the
display read-out, local operation and setup handling.
Note: The choice between the 10 different display
read-outs mentioned on page 48 is not an element
of this group.
Load and motor (group 1)
This group of parameters has been reserved for the
adjustments necessary to adapt the VLT frequency
converter to the required application and motor.
Control with open loop

Table of Contents

Related product manuals