EasyManua.ls Logo

Danfoss VLT 5102 - Page 196

Danfoss VLT 5102
240 pages
Print Icon
To Next Page IconTo Next Page
To Next Page IconTo Next Page
To Previous Page IconTo Previous Page
To Previous Page IconTo Previous Page
Loading...
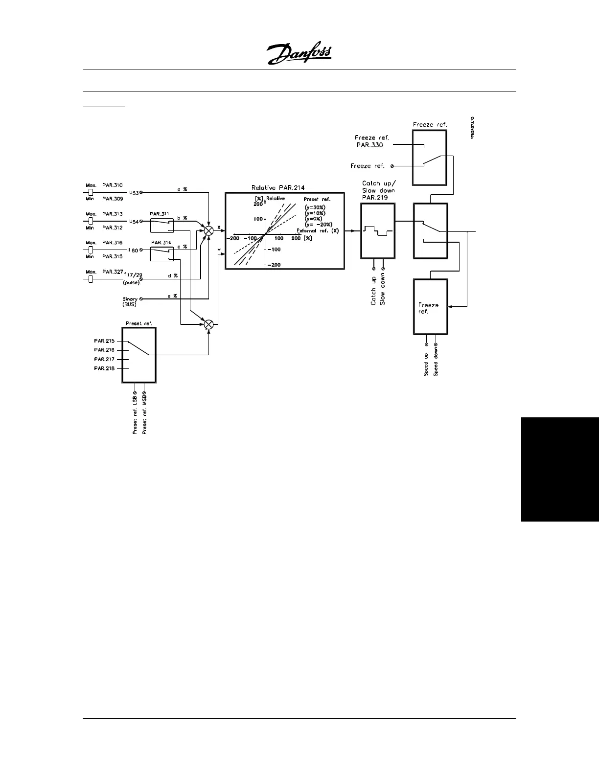
RELATIVE
VLT
®
5000 Series
MG.51.C5.22 - VLT
p
is a registered Danfoss trademark. 193
List of functions

Table of Contents

Other manuals for Danfoss VLT 5102

Related product manuals