EasyManua.ls Logo

Danfoss VLT FCD 330 - Page 50

Danfoss VLT FCD 330
127 pages
Print Icon
To Next Page IconTo Next Page
To Next Page IconTo Next Page
To Previous Page IconTo Previous Page
To Previous Page IconTo Previous Page
Loading...
VLT
®
FCD Series
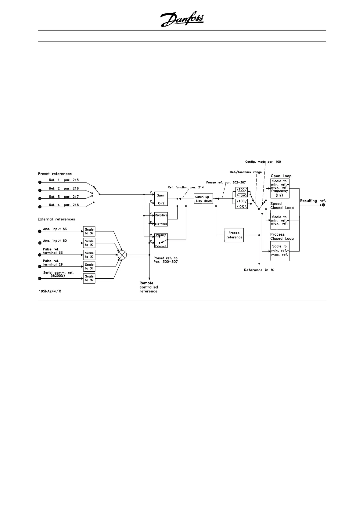
- Preset references.
The resulting reference can be shown on the LCP
control units display by selecting Reference [%] in
parameters 009-012 Display readout and can be
shown as one unit by selecting Reference [unit].
The sum of the external references can be shown on
the LCP control unitsdisplayasa%oftheareafrom
Minimum referenc e, Ref
MIN
to Maximum reference, Ref
MAX
. Select External reference , % [25] in parameters
009-012 Display readout if a readout is desired.
It is possible to have both references and external
references simultaneously. In parameter 214
Reference function a selection can be made
to determine how preset references should be
added to the external references.
There is also an independent local reference in
parameter 003 Local reference,inwhichthe
resulting reference is set using the [+/-] keys.
When the local reference has been selected, the
output frequency range is limited by parameter
201 Output frequency low limit, f
MIN
and parameter
202 Output frequency high limit, f
MAX
.
The local reference unit depends on the selection
in parameter 100 Configuration.
= factory setting. () = display text [] = value for use in communication via serial communication port
MG.04.B7.02 - VLT is a registered Danfoss trademark
50

Table of Contents

Other manuals for Danfoss VLT FCD 330

Related product manuals