EasyManua.ls Logo

Dannmar D4-9 - Selecting your Power Post Location

Dannmar D4-9
85 pages
Print Icon
To Next Page IconTo Next Page
To Next Page IconTo Next Page
To Previous Page IconTo Previous Page
To Previous Page IconTo Previous Page
Loading...
D4-9 / D4-9X Four-Post Lifts 18 P/N 5900251Rev. A1August 2021
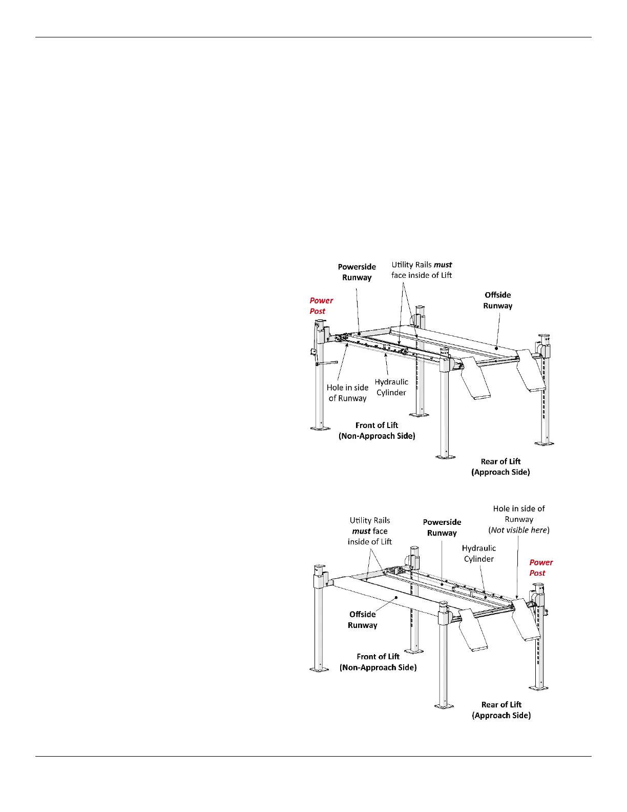
Selecting your Power Post Location
The two options for the Power Post Location are Driver-Side Front or Passenger-Side Rear.
As you can see from the drawing below, the Power Post location choice does not change the
approach direction for the Vehicles you will be driving onto the Lift nor which end is the Front and
which is the Back. It does, however, change the placement of the Runways.
Note: The Runway on the Power Post side (the Powerside Runway)
must
be the Runway with the
Hydraulic Cylinder under it.
The drawings in this manual show the Power Post at the Rear Passenger-Side, but that does not
mean you have to. In many cases, the main factor is the location of the power source; many
customers prefer to put the Power Post, which holds the Power Unit, near the power source. If power
is not an issue, choose the location that works best for your installation.
The following drawings show the two valid Power Post Locations.
Power Post: Front Driver-Side
Power Post: Rear Passenger-Side
Drawings are Top views of the Lift. Not all components shown.

Related product manuals