EasyManua.ls Logo

Dannmar DB-70 - Page 65

Dannmar DB-70
68 pages
Print Icon
To Next Page IconTo Next Page
To Next Page IconTo Next Page
To Previous Page IconTo Previous Page
To Previous Page IconTo Previous Page
Loading...
DB-70 Automatic Wheel Balancer 65 P/N 5900261 — Rev. A1 — January 2021
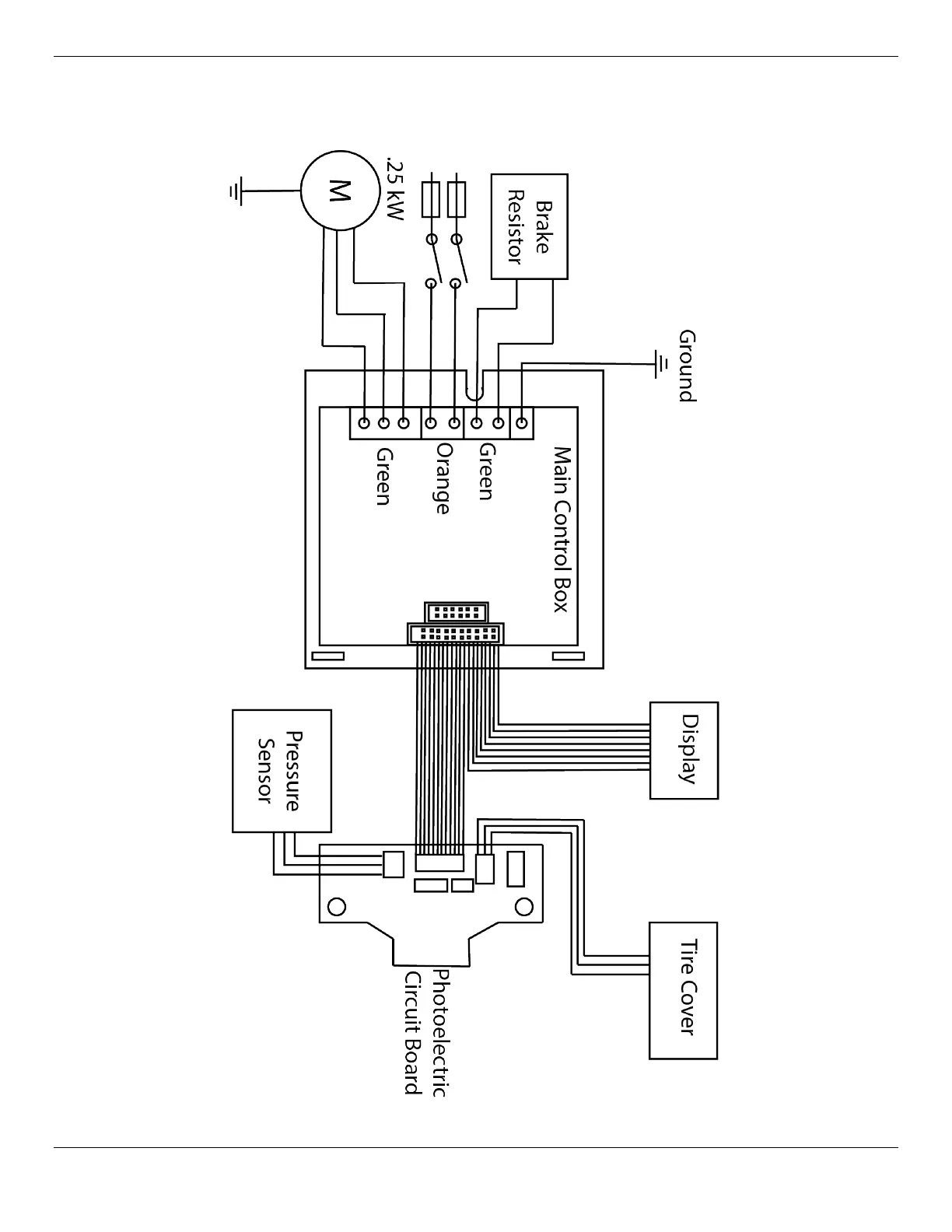
Wiring