EasyManua.ls Logo

Dantherm Classic 20 CS020020A - Mounting Template

Dantherm Classic 20 CS020020A
16 pages
Print Icon
To Next Page IconTo Next Page
To Next Page IconTo Next Page
To Previous Page IconTo Previous Page
To Previous Page IconTo Previous Page
Loading...
Classic 20 ACU Installation, Operating & Maintenance Manual
AC-2 CS020020 USACG-6 Manual Rev B Page 6 of 16
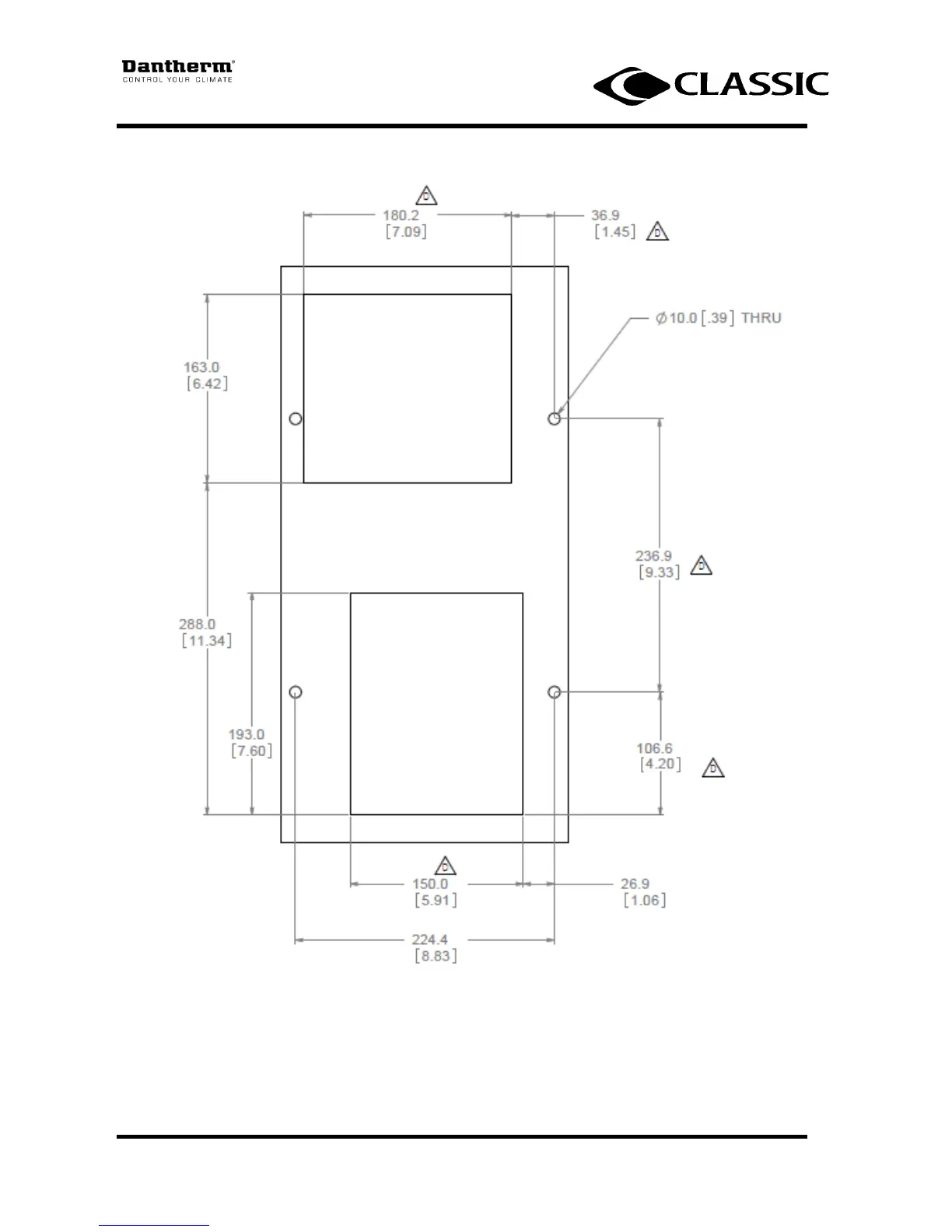
4.2 Mounting template

Related product manuals