EasyManua.ls Logo

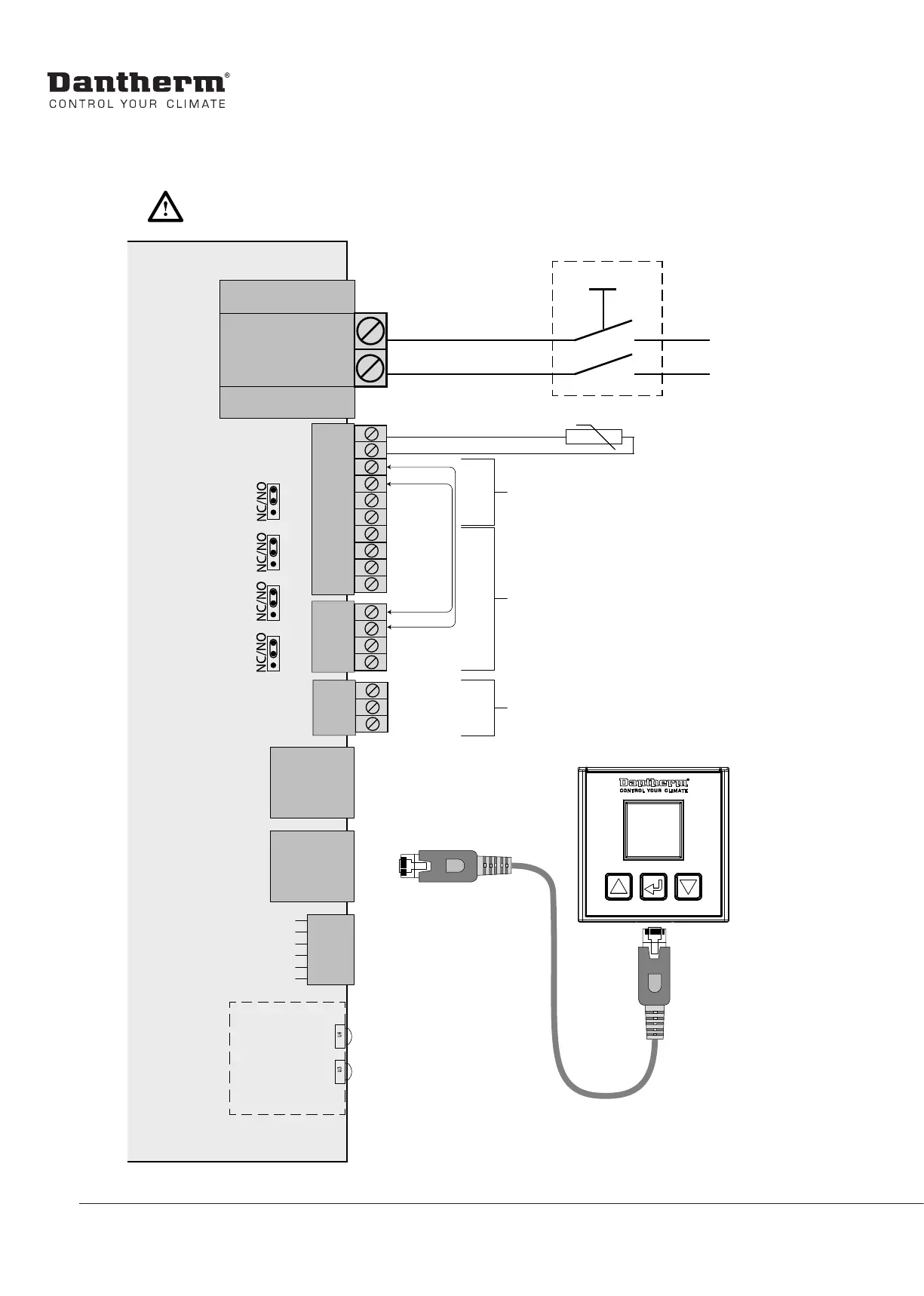
Dantherm Flexibox 460 - Optional Connections

Dantherm Flexibox 460
16 pages
Print Icon
To Next Page IconTo Next Page
To Next Page IconTo Next Page
To Previous Page IconTo Previous Page
To Previous Page IconTo Previous Page
Loading...
14
J1
J5
J9
J4
J16
J17
J6
J11
J10
J15
J7
J3
J2
AL 1
AL 2
AC 1
AC 2
Potential free
Max. 42VAc or 60VDc. / 3A - (SELV)
Default normally open - jumper changeable
RS485 in
RS485 out
TTL
1=Gnd
2=B
3=Gnd
4=A
5-8=nc
1=Gnd
2=B
3=Gnd
4=A
5-6=line pwr gnd
7-8=12v line pwr
PC interface - galvanic isolated
Gnd
Room sensor
Gnd
Digital input
Alarm 2
Alarm 2
Alarm 1
Alarm 1
AC 1
AC 1
Ext. damper GND
Ext. damper close
Ext. damper open
SD reader
48V DC negative
48V DC positive
48VDC
16A fused
2,5 mm
#
External safety breaker
(not included)
-t°
0 / 12V DC
with pull up
48V DC/100mA
Pre wired
See unit schematics
Comp. out 1
Comp GND
Damper open
Damper close
Damper GND
Heater out +
Heater out GND
Condenser fan out +
Condenser out GND
Amb temp sens
Amb temp sens GND
Supply temp sens
Supply temp sens GND
Condenser temp sens
Condenser temp sens GND
Phase monitor input
Phase monitor input GND
Filter guard input
Filter guard input GND
Door switch input
Door switch GND
1: Fan positive
2:Fan PWM
3:Fan tacho
4:Fan GND
1: Fan positive
2:Fan PWM
3:Fan tacho
4:Fan GND
1: Fan positive
2:Fan PWM
3:Fan tacho
4:Fan GND
Standard ethernet cable
(568A termination both ends)
10A Mini blade terminal.
FX ”Littlefuse type ”997 010”
10A Mini blade terminal.
FX ”Littlefuse type ”997 010”
10A Mini blade terminal.
FX ”Littlefuse type ”997 010”
SD card slot for setup and logging
Green LED
Red LED
F2
F3
F4
Factory jumper
Factory jumper
Optional connections
Warning

Related product manuals