EasyManua.ls Logo

dbx 286 S - dbx 286 s Block Diagram; Signal Flow and Architecture

dbx 286 S
28 pages
Print Icon
To Next Page IconTo Next Page
To Next Page IconTo Next Page
To Previous Page IconTo Previous Page
To Previous Page IconTo Previous Page
Loading...
286
21
286s
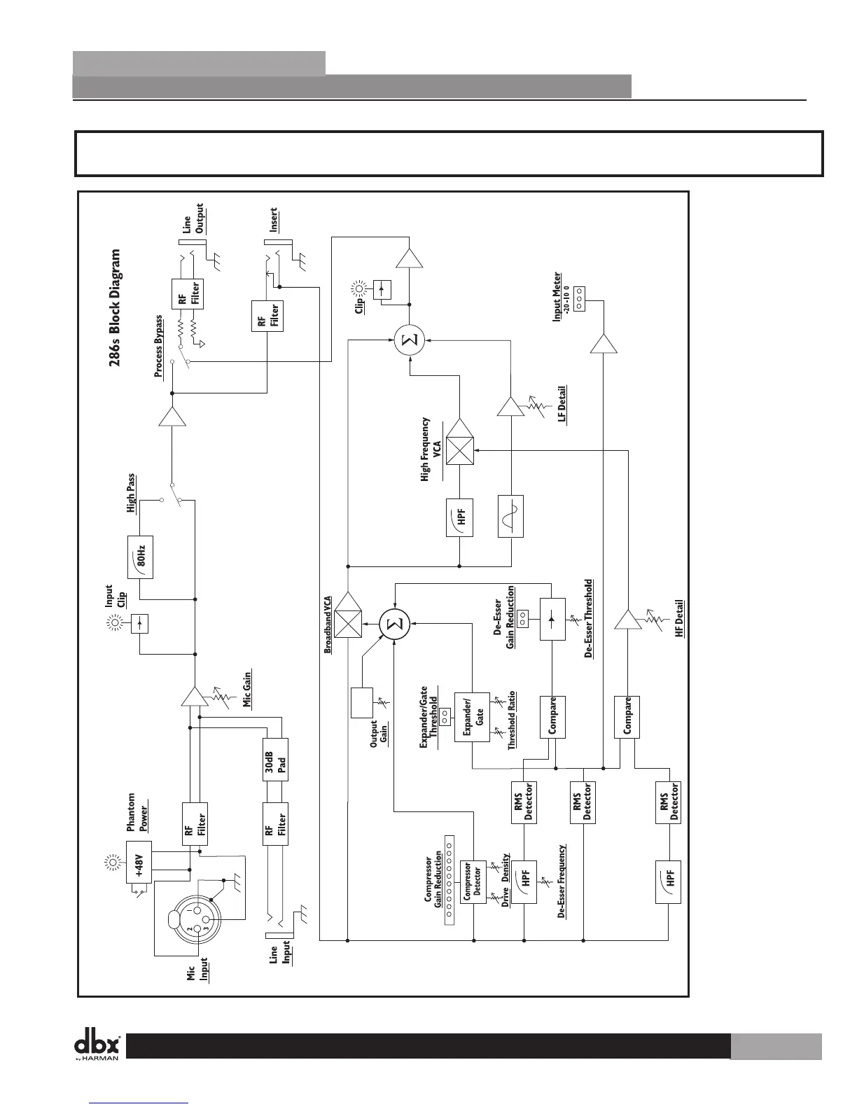
Section 7 - Block Diagram

Related product manuals