EasyManua.ls Logo

DCS BGB131 - Wiring Diagram; Single and Double Side Burner

DCS BGB131
50 pages
Print Icon
To Next Page IconTo Next Page
To Next Page IconTo Next Page
To Previous Page IconTo Previous Page
To Previous Page IconTo Previous Page
Loading...
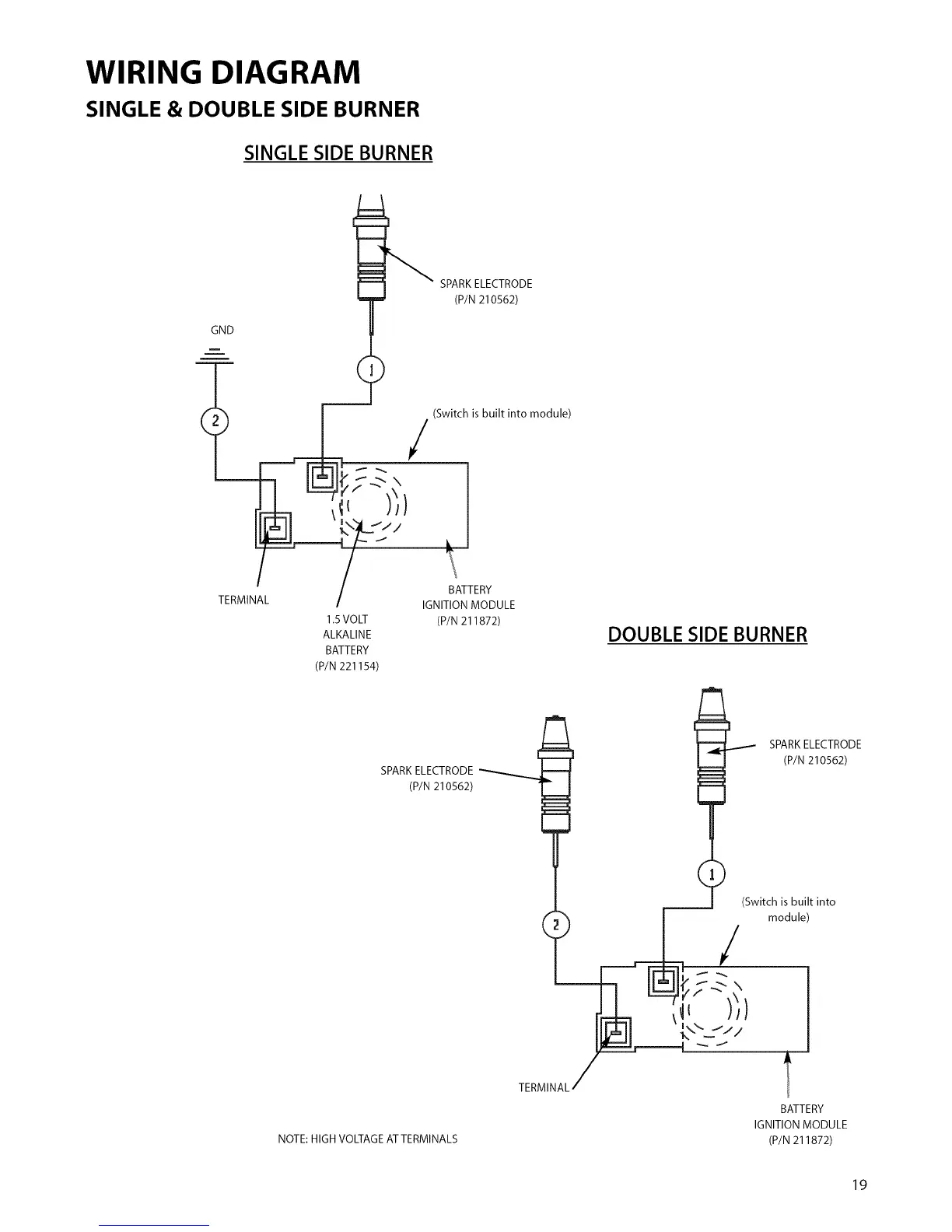
WIRING DIAGRAM
SINGLE & DOUBLE SIDE BURNER
SINGLE SIDE BURNER
GND
¢
-
TERM,N_/_%_''
1.5 VOLT
ALKALINE
BATTERY
(P/N 221154)
SPARKELECTRODE
(P/N210562)
(Switch is built into module)
BATTERY
IGNITION MODULE
(P/N 211872)
DOUBLE SIDE BURNER
SPARK ELECTRODE
(P/N 210562)
NOTE: HIGH VOLTAGE AT TERMINALS
SPARK ELECTRODE
(P/N 210562)
(Switch is built into
- h L_t_-,,, '
Ill_l _"'_"/ I
TERMINAL_ l
BATTERY
IGNITION MODULE
(P/N 211872)
19

Other manuals for DCS BGB131