EasyManua.ls Logo

DCS CS-364G - CS 485 WIRING SCHEMATIC

DCS CS-364G
26 pages
Print Icon
To Next Page IconTo Next Page
To Next Page IconTo Next Page
To Previous Page IconTo Previous Page
To Previous Page IconTo Previous Page
Loading...
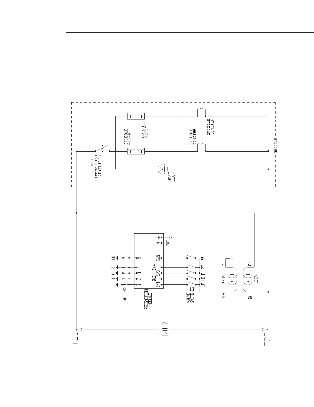
CS 485 WIRING SCHEMATIC
19

Related product manuals